Ciência da Computação - Transmissão de Informação - Centro de Seleção e de Promoção de Eventos UnB (CESPE) - 2008

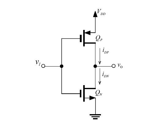
Acerca de circuitos inversores lógicos e do circuito inversor ilustrado na figura acima, que utiliza um par de chaves complementares, em que a chave levantadora (
pull-up) conecta o nó de saída a VDD e a chave abaixadora (pull-down) conecta o nó de saída ao terra, julgue os itens seguintes.Em circuitos integrados, o atraso na propagação dos inversores lógicos deve-se às indutâncias mútuas que inevitavelmente surgem nas interligações metálicas.
{TITLE}
{CONTENT}
{TITLE}
Aguarde, enviando solicitação...