Engenharia Elétrica - Máquinas Elétricas - Centro de Seleção e de Promoção de Eventos UnB (CESPE) - 2004

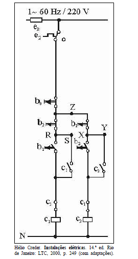
A figura acima mostra o diagrama de controle de um acionamento elétrico. A partir dessas informações, julgue os itens seguintes.
O diagrama não possui intertravamento mecânico, indicando que as peças manobráveis atuam sempre individualmente.
{TITLE}
{CONTENT}
{TITLE}
        Aguarde, enviando solicitação...