Lista completa de Questões sobre Elétrica / Eletrônica para resolução totalmente grátis. Selecione os assuntos no filtro de questões e comece a resolver exercícios.
Conhecimentos Técnicos de um determinado Cargo/Área - Elétrica / Eletrônica - Centro de Seleção e de Promoção de Eventos UnB (CESPE) - 2004

Considerando a figura acima, que mostra o diagrama de blocos de um relé de estado sólido, julgue os itens a seguir.
No circuito mostrado, um fotossensor do tipo LDR ligado aos terminais de controle funcionará como uma fotocélula.
Conhecimentos Técnicos de um determinado Cargo/Área - Elétrica / Eletrônica - Centro de Seleção e de Promoção de Eventos UnB (CESPE) - 2004

Considerando a figura acima, que mostra o diagrama de blocos de um relé de estado sólido, julgue os itens a seguir.
No circuito considerado, um trem de pulsos no terminal gate do TRIAC é suficiente para fechar o circuito e alimentar a carga.
Conhecimentos Técnicos de um determinado Cargo/Área - Elétrica / Eletrônica - Centro de Seleção e de Promoção de Eventos UnB (CESPE) - 2004

Considerando a figura acima, que mostra o diagrama de blocos de um relé de estado sólido, julgue os itens a seguir.
Uma das vantagens do relé de estado sólido sobre os relés eletromecânicos é a velocidade de operação.
Conhecimentos Técnicos de um determinado Cargo/Área - Elétrica / Eletrônica - Centro de Seleção e de Promoção de Eventos UnB (CESPE) - 2004

Considerando a figura acima, que mostra o diagrama de blocos de um relé de estado sólido, julgue os itens a seguir.
Os tiristores são facilmente testados empregando-se apenas um multímetro digital.
Conhecimentos Técnicos de um determinado Cargo/Área - Elétrica / Eletrônica - Centro de Seleção e de Promoção de Eventos UnB (CESPE) - 2004

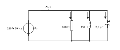
Com base na figura acima, que mostra um circuito monofásico RLC, julgue os itens que se seguem.
A impedância Z em um circuito RLC série é igual ao fasor soma R, XL e XC.
Conhecimentos Técnicos de um determinado Cargo/Área - Elétrica / Eletrônica - Centro de Seleção e de Promoção de Eventos UnB (CESPE) - 2004

Com base na figura acima, que mostra um circuito monofásico RLC, julgue os itens que se seguem.
A impedância total do circuito apresentado é igual a 215
Conhecimentos Técnicos de um determinado Cargo/Área - Elétrica / Eletrônica - Centro de Seleção e de Promoção de Eventos UnB (CESPE) - 2004

Com base na figura acima, que mostra um circuito monofásico RLC, julgue os itens que se seguem.
O circuito da figura é capacitivo porque XC é maior que XL.
Conhecimentos Técnicos de um determinado Cargo/Área - Elétrica / Eletrônica - Centro de Seleção e de Promoção de Eventos UnB (CESPE) - 2004

Com base na figura acima, que mostra um circuito monofásico RLC, julgue os itens que se seguem.
A tensão nos terminais do capacitor está atrasada em relação à corrente CA que passa por ele.
Conhecimentos Técnicos de um determinado Cargo/Área - Elétrica / Eletrônica - Centro de Seleção e de Promoção de Eventos UnB (CESPE) - 2004

Com base na figura acima, que mostra um circuito monofásico RLC, julgue os itens que se seguem.
A potência real no circuito é de 225 W.
Conhecimentos Técnicos de um determinado Cargo/Área - Elétrica / Eletrônica - Centro de Seleção e de Promoção de Eventos UnB (CESPE) - 2004

Com base na figura acima, que mostra um circuito monofásico RLC, julgue os itens que se seguem.
O fator de potência é dado pela razão entre a potência real e a potência aparente.
{TITLE}
{CONTENT}
{TITLE}
Aguarde, enviando solicitação...