Lista completa de Questões sobre Manutenção de equipamentos para resolução totalmente grátis. Selecione os assuntos no filtro de questões e comece a resolver exercícios.
Conhecimentos Técnicos de um determinado Cargo/Área - Manutenção de equipamentos - Fundação Carlos Chagas (FCC) - 2016
Na utilização de resistores de aterramento do neutro, a ocorrência de baixos valores da resistência de aterramento, produzem
Conhecimentos Técnicos de um determinado Cargo/Área - Manutenção de equipamentos - Fundação Carlos Chagas (FCC) - 2016
Considere a figura abaixo.

A figura ilustrada representa um sistema elétrico que foi aterrado
Conhecimentos Técnicos de um determinado Cargo/Área - Manutenção de equipamentos - Fundação Carlos Chagas (FCC) - 2016
Tendo em vista o fenômeno do magnetismo, o que explica o fato de uma porção de clipes submetida à ação de um imã permitir que os clipes se atraiam uns aos outros é
Conhecimentos Técnicos de um determinado Cargo/Área - Manutenção de equipamentos - Fundação Carlos Chagas (FCC) - 2016
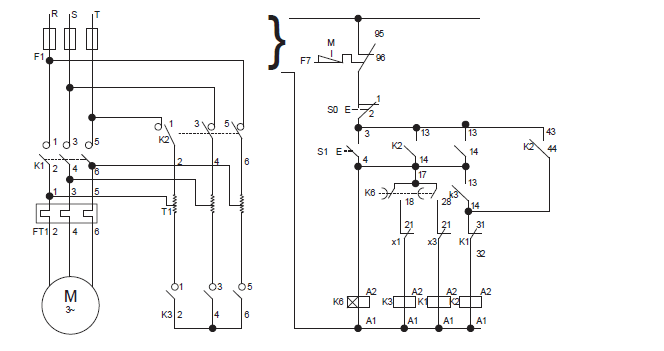
Considere o esquema abaixo.

O esquema apresentado na figura representa um diagrama
Conhecimentos Técnicos de um determinado Cargo/Área - Manutenção de equipamentos - Fundação Carlos Chagas (FCC) - 2016
Os circuitos auxiliares são responsáveis por atuar em casos de falha do Controlador Lógico Programável
− CLP. Considere:
I. POWER ON RESET: desliga todas as saídas assim que o equipamento é ligado, isso evita que possíveis danos venham a acontecer.
II. WATCH DOG TIMER: monitora a tensão de alimentação salvando o conteúdo das memórias antes que alguma queda de energia possa acontecer.
III. POWER DOWN: o cão de guarda deve ser acionado em intervalos periódicos, isso evita que o programa entre em loop no caso de falha do microprocessador.
São circuitos auxiliares o que consta em
Conhecimentos Técnicos de um determinado Cargo/Área - Manutenção de equipamentos - Fundação Carlos Chagas (FCC) - 2016
O gráfico abaixo ilustra a curva de velocidade estabelecida pela relação da tensão de saída x frequência, referente à operação de uma máquina operatriz, acionada por meio de um motor elétrico alimentado com tensão de 220 V, em velocidade.

Para garantir um conjugado do motor suficiente para movimentar a máquina, em que o sistema sofreu um acréscimo de velocidade de 20%, os parâmetros de frequência e tensão de saída devem ser ajustados por meio do inversor de frequência, para Y e X, respectivamente, que assumirão os valores de:
Conhecimentos Técnicos de um determinado Cargo/Área - Manutenção de equipamentos - Fundação Carlos Chagas (FCC) - 2016
Para alimentar um inversor em 380 V e limitar a tensão de saída em 220 V e 60 Hz deve-se informar ao inversor de frequência que o motor tem frequência nominal de 102 Hz e que sua velocidade máxima estará limitada em 60 Hz. Nestas condições, a relação entre essas duas grandezas será de
Conhecimentos Técnicos de um determinado Cargo/Área - Manutenção de equipamentos - Fundação Carlos Chagas (FCC) - 2016
Considere a figura abaixo.

A potência consumida pelas três resistências é igual a
Conhecimentos Técnicos de um determinado Cargo/Área - Manutenção de equipamentos - Fundação Carlos Chagas (FCC) - 2016
O fenômeno resultante de uma ruptura dielétrica de um gás, a qual produz uma descarga de gás ionizado, similar a uma fagulha instantânea, resultante de um fluxo de corrente em meio normalmente isolante tal qual o ar, é conhecido como
Conhecimentos Técnicos de um determinado Cargo/Área - Manutenção de equipamentos - Fundação Carlos Chagas (FCC) - 2016
Ao afirmar que a carcaça de uma máquina está aterrada, é o mesmo que dizer que
{TITLE}
{CONTENT}
{TITLE}
Aguarde, enviando solicitação...