Lista completa de Questões sobre Mecânica de veículos para resolução totalmente grátis. Selecione os assuntos no filtro de questões e comece a resolver exercícios.
Conhecimentos Técnicos de um determinado Cargo/Área - Mecânica de veículos - Centro de Seleção e de Promoção de Eventos UnB (CESPE) - 2007
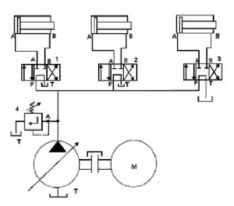
A partir da interpretação do circuito pneumático mostrado acima, julgue os próximos itens.
As válvulas pneumáticas de 3 posições estão, todas elas, livres, ou seja, criando um circuito aberto.
Conhecimentos Técnicos de um determinado Cargo/Área - Mecânica de veículos - Centro de Seleção e de Promoção de Eventos UnB (CESPE) - 2007
A manutenção corretiva, preventiva ou preditiva tem o objetivo de conservar em bom estado e manter operando equipamentos, instrumentos, ferramentas e instalações da forma mais econômica possível. A manutenção preventiva se caracteriza pela
troca de componentes e lubrificantes imediatamente após o aparecimento de defeitos, quebras ou falha de componentes.
troca de componentes e lubrificantes antes da falha dos mesmos, com base em uma programação previamente planejada, assegurando o perfeito funcionamento do equipamento por um período predeterminado.
troca de componentes e lubrificantes com base no monitoramento das condições dos mesmos, de modo a obter o maior tempo possível de operação contínua do equipamento.
análise de vibrações e ruídos, a ferrografia, a análise de óleos, o monitoramento da temperatura dos componentes, entre outras ferramentas, para determinar, antecipadamente, a necessidade de serviços de manutenção em uma peça específica de um equipamento.
Conhecimentos Técnicos de um determinado Cargo/Área - Mecânica de veículos - Centro de Seleção e de Promoção de Eventos UnB (CESPE) - 2007
A partir da interpretação do circuito pneumático mostrado acima, julgue os próximos itens.
O acionamento mais utilizado para as válvulas 1, 2 e 3, nesse tipo de circuito, é o elétrico.
Conhecimentos Técnicos de um determinado Cargo/Área - Mecânica de veículos - Centro de Seleção e de Promoção de Eventos UnB (CESPE) - 2007
A partir da interpretação do circuito pneumático mostrado acima, julgue os próximos itens.
A válvula 4 desempenha uma função de segurança, por meio do acionamento de uma linha piloto, que abre a válvula em caso de sobrepressão.
Conhecimentos Técnicos de um determinado Cargo/Área - Mecânica de veículos - Centro de Seleção e de Promoção de Eventos UnB (CESPE) - 2007

O desenho acima se refere ao projeto de uma junta de solda que será executada no costado de um vaso de pressão. O processo de soldagem utiliza o arco elétrico como fonte de energia térmica para a fusão das bordas das chapas. Tendo como referência essas informações, julgue os itens seguintes, relativos à soldagem mencionada.
A solda a ser utilizada é a de penetração total.
Conhecimentos Técnicos de um determinado Cargo/Área - Mecânica de veículos - Centro de Seleção e de Promoção de Eventos UnB (CESPE) - 2007

O desenho acima se refere ao projeto de uma junta de solda que será executada no costado de um vaso de pressão. O processo de soldagem utiliza o arco elétrico como fonte de energia térmica para a fusão das bordas das chapas. Tendo como referência essas informações, julgue os itens seguintes, relativos à soldagem mencionada.
Segundo o símbolo mostrado no desenho, o afastamento de raiz é de 2 mm.
Conhecimentos Técnicos de um determinado Cargo/Área - Mecânica de veículos - Centro de Seleção e de Promoção de Eventos UnB (CESPE) - 2007

O desenho acima se refere ao projeto de uma junta de solda que será executada no costado de um vaso de pressão. O processo de soldagem utiliza o arco elétrico como fonte de energia térmica para a fusão das bordas das chapas. Tendo como referência essas informações, julgue os itens seguintes, relativos à soldagem mencionada.
Na situação considerada, o nariz do chanfro mede 47 mm.
Conhecimentos Técnicos de um determinado Cargo/Área - Mecânica de veículos - Centro de Seleção e de Promoção de Eventos UnB (CESPE) - 2007

O desenho acima se refere ao projeto de uma junta de solda que será executada no costado de um vaso de pressão. O processo de soldagem utiliza o arco elétrico como fonte de energia térmica para a fusão das bordas das chapas. Tendo como referência essas informações, julgue os itens seguintes, relativos à soldagem mencionada.
O processo de soldagem selecionado foi o processo MIG/MAG.
Conhecimentos Técnicos de um determinado Cargo/Área - Mecânica de veículos - Centro de Seleção e de Promoção de Eventos UnB (CESPE) - 2007

O desenho acima se refere ao projeto de uma junta de solda que será executada no costado de um vaso de pressão. O processo de soldagem utiliza o arco elétrico como fonte de energia térmica para a fusão das bordas das chapas. Tendo como referência essas informações, julgue os itens seguintes, relativos à soldagem mencionada.
A partir do desenho mostrado, é correto inferir que a soldagem do vaso deverá ser feita nas oficinas da fábrica responsável pela produção do referido vaso.
Conhecimentos Técnicos de um determinado Cargo/Área - Mecânica de veículos - Centro de Seleção e de Promoção de Eventos UnB (CESPE) - 2007

O desenho acima se refere ao projeto de uma junta de solda que será executada no costado de um vaso de pressão. O processo de soldagem utiliza o arco elétrico como fonte de energia térmica para a fusão das bordas das chapas. Tendo como referência essas informações, julgue os itens seguintes, relativos à soldagem mencionada.
De acordo com o desenho acima, o ensaio não-destrutivo selecionado para inspecionar a solda é o de líquido penetrante.
{TITLE}
{CONTENT}
{TITLE}
Aguarde, enviando solicitação...