Lista completa de Questões sobre Mecânica de veículos para resolução totalmente grátis. Selecione os assuntos no filtro de questões e comece a resolver exercícios.
Conhecimentos Técnicos de um determinado Cargo/Área - Mecânica de veículos - Centro de Seleção e de Promoção de Eventos UnB (CESPE) - 2007

O diagrama tensão-deformação acima mostra os resultados de ensaios de tração para dois materiais metálicos distintos, A e B, que têm propriedades mecânicas diferentes. Acerca desse ensaio de tração, julgue os itens que se seguem.
O material B pode ser encurvado com mais facilidade que o material A pois é mais dúctil.
Conhecimentos Técnicos de um determinado Cargo/Área - Mecânica de veículos - Instituto Nacional de Educação (CETRO) - 2007
Qual seria a característica mais desejada em um parafuso de movimento?
Autoatarraxante.
Alto rendimento.
Superfície de dureza baixa.
Núcleo de dureza elevada.
Alto coeficiente de atrito no flanco da rosca, quando montado a uma porca.
Conhecimentos Técnicos de um determinado Cargo/Área - Mecânica de veículos - Centro de Seleção e de Promoção de Eventos UnB (CESPE) - 2007

O diagrama tensão-deformação acima mostra os resultados de ensaios de tração para dois materiais metálicos distintos, A e B, que têm propriedades mecânicas diferentes. Acerca desse ensaio de tração, julgue os itens que se seguem.
O material A é muito mais tenaz que o material B.
Conhecimentos Técnicos de um determinado Cargo/Área - Mecânica de veículos - Instituto Nacional de Educação (CETRO) - 2007
Dada abaixo as representações de paquímetros, nas quais os negritos no nônio determinam a coincidência para a efetuar a leitura decimal, estabeleça as leituras correspondentes.
A = 94,10 - B = 0,35 - C = 11,00 - D = 16,02
A = 98,10 - B = 14,35 - C = 11,10 - D = 17,02
A = 94,10 - B = 14,35 - C = 11,00 - D = 17,02
A = 98,10 - B = 0,35 - C = 11,10 - D = 16,02
A = 94,00 – B = 14,35 – C = 11,00 – D = 16,02
Conhecimentos Técnicos de um determinado Cargo/Área - Mecânica de veículos - Centro de Seleção e de Promoção de Eventos UnB (CESPE) - 2007

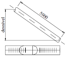
A figura acima ilustra um trecho de tubulação que se encontra em declive. Um nível de bolha está sendo usado para medir o desnível da tubulação. A sensibilidade do nível de bolha é de 0,05 mm/m e, na medição, a bolha se estabilizou na posição indicada no desenho. Com relação ao nível de bolha e à operação de medição da declividade, julgue os seguintes itens.
O desnível do tubo considerado é de 0,25 mm.
Conhecimentos Técnicos de um determinado Cargo/Área - Mecânica de veículos - Instituto Nacional de Educação (CETRO) - 2007
Analise o esquema abaixo e assinale a alternativa que corresponde ao tipo de circuito representado.
Conhecimentos Técnicos de um determinado Cargo/Área - Mecânica de veículos - Centro de Seleção e de Promoção de Eventos UnB (CESPE) - 2007

A figura acima ilustra um trecho de tubulação que se encontra em declive. Um nível de bolha está sendo usado para medir o desnível da tubulação. A sensibilidade do nível de bolha é de 0,05 mm/m e, na medição, a bolha se estabilizou na posição indicada no desenho. Com relação ao nível de bolha e à operação de medição da declividade, julgue os seguintes itens.
Níveis de bolha de precisão são usados para medição de planeza e devem ter a inscrição de sensibilidade impressa em seu corpo.
Conhecimentos Técnicos de um determinado Cargo/Área - Mecânica de veículos - Instituto Nacional de Educação (CETRO) - 2007
Analise o desenho técnico e assinale a resposta onde as cotas foram indicadas a partir da linha básica vertical.
Conhecimentos Técnicos de um determinado Cargo/Área - Mecânica de veículos - Centro de Seleção e de Promoção de Eventos UnB (CESPE) - 2007

A figura acima ilustra um trecho de tubulação que se encontra em declive. Um nível de bolha está sendo usado para medir o desnível da tubulação. A sensibilidade do nível de bolha é de 0,05 mm/m e, na medição, a bolha se estabilizou na posição indicada no desenho. Com relação ao nível de bolha e à operação de medição da declividade, julgue os seguintes itens.
A aferição do nível deve ser feita em uma base plana, marcando-se os extremos do nível nessa base e, em seguida, invertendo-se a posição do nível em 180 o para se verificar a posição da bolha.
Conhecimentos Técnicos de um determinado Cargo/Área - Mecânica de veículos - Instituto Nacional de Educação (CETRO) - 2007
O tipo de corpo rolante de um rolamento é determinado pelo (a)
tipo de gaiola, lubrificante e geometria do anel interno.
direção de cargas, geometria do anel externo e tipo de gaiola.
espaço físico para alojar o rolamento, velocidade e lubrificante.
quantidade de carga, espaço físico para alojar o rolamento e velocidade.
tipo de gaiola, velocidade e espaço físico para alojá-lo.
{TITLE}
{CONTENT}
{TITLE}
Aguarde, enviando solicitação...