Lista completa de Questões de Conhecimentos Técnicos de um determinado Cargo/Área da CONSULPLAN Consultoria (CONSULPLAN) para resolução totalmente grátis. Selecione os assuntos no filtro de questões e comece a resolver exercícios.
Conhecimentos Técnicos de um determinado Cargo/Área - Elétrica / Eletrônica - CONSULPLAN Consultoria (CONSULPLAN) - 2014
Diodos são dispositivos eletrônicos amplamente utilizados, com funções e características específicas na eletrônica e telecomunicações. Relacione adequadamente os tipos de diodos às respectivas funções.

A sequência está correta em
Conhecimentos Técnicos de um determinado Cargo/Área - Elétrica / Eletrônica - CONSULPLAN Consultoria (CONSULPLAN) - 2014
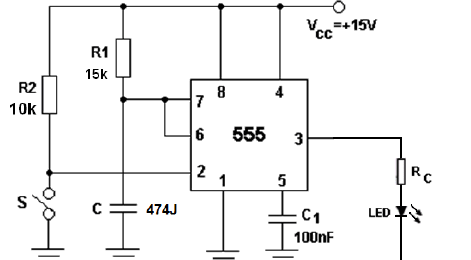
Um técnico em eletrônica apresentou o seguinte esquema elétrico, conforme a imagem de um circuito temporizador. Ele não conseguiu realizar a medição do capacitor C, apenas anotou os números que estavam descritos no corpo do componente, sendo 474 J, onde J é a tolerância do capacitor.

Ao analisar o funcionamento do circuito em uma bancada, é correto afirmar que ao fechar a chave S
Conhecimentos Técnicos de um determinado Cargo/Área - Elétrica / Eletrônica - CONSULPLAN Consultoria (CONSULPLAN) - 2014
Reguladores de tensão são utilizados com o objetivo de manter um valor de tensão apropriado para circuitos eletrônicos. Na configuração apresentada anteriormente, assinale o valor da corrente que circula por R2.

Conhecimentos Técnicos de um determinado Cargo/Área - Elétrica / Eletrônica - CONSULPLAN Consultoria (CONSULPLAN) - 2014
O circuito a seguir foi desenvolvido com intuito de ligar e desligar um relé através da saída Q do FF (Flip-Flop) para acionar um motor AC. Ao energizar o relé em nível lógico alto, o motor é acionado e, ao desenergizar o relé nível lógico 0, o motor é desacionado. Inicialmente, a saída Q está em nível lógico 0.

Assinale a alternativa que melhor descreve corretamente o funcionamento do circuito.
Conhecimentos Técnicos de um determinado Cargo/Área - Elétrica / Eletrônica - CONSULPLAN Consultoria (CONSULPLAN) - 2014
O circuito apresentado se refere a uma polarização muito utilizada em circuitos com transistores bipolares. Para que a tensão entre coletor e emissor seja de 7,3 V, o valor da tensão (Vcc) aplicada ao circuito é

Conhecimentos Técnicos de um determinado Cargo/Área - Elétrica / Eletrônica - CONSULPLAN Consultoria (CONSULPLAN) - 2014
A corrente elétrica é o fluxo ordenado de partículas portadoras de carga elétrica. Tal deslocamento procura restabelecer o equilíbrio desfeito pela ação de um campo elétrico ou outros meios (reação química, atrito, luz etc.). Para haver corrente elétrica, é necessário que haja
Conhecimentos Técnicos de um determinado Cargo/Área - Área: Telecomunicações - CONSULPLAN Consultoria (CONSULPLAN) - 2014
O cabo mais utilizado para interconexão de computadores e outros dispositivos em redes locais de dados é o cabo UTP Cat5e. Para a conectorização deste cabo são utilizados códigos de cores, que seguem os padrões EIA/TIA 568A e 568B. Para a confecção de um cabo direto, utilizando o padrão EIA/TIA 568B em ambos os conectores, a sequência correta das cores é
Conhecimentos Técnicos de um determinado Cargo/Área - Elétrica / Eletrônica - CONSULPLAN Consultoria (CONSULPLAN) - 2014
A resistência elétrica é a única grandeza que expressa a oposição à passagem da corrente elétrica em circuitos de corrente contínua. Já em circuitos de corrente alternada, dependendo dos elementos do circuito, outras grandezas também irão se opor à passagem da corrente elétrica. A razão entre tensão e corrente, em um circuito de corrente alternada, recebe o nome de
Conhecimentos Técnicos de um determinado Cargo/Área - Área: Telecomunicações - CONSULPLAN Consultoria (CONSULPLAN) - 2014
Para transmissões a longa distância por meio de antenas, é imprescindível que os sinais passem por processos de modulação. Neste contexto, um sinal modulado é aquele gerado a partir de
Conhecimentos Técnicos de um determinado Cargo/Área - Elétrica / Eletrônica - CONSULPLAN Consultoria (CONSULPLAN) - 2014
Nos motores de corrente alternada, o fluxo magnético do estator é gerado nas bobinas de campo pela corrente alternada da fonte de alimentação monofásica ou trifásica, portanto, trata-se de um campo magnético cuja intensidade varia continuamente e cuja polaridade é invertida periodicamente. Quanto à velocidade do rotor do motor, há dois casos a considerar: motores síncronos e assíncronos. Se a velocidade de um motor síncrono, alimentado por uma rede elétrica de 60 Hz, for da ordem de 1.800 rpm, significa que esse motor possui
{TITLE}
{CONTENT}
{TITLE}
        Aguarde, enviando solicitação...