Lista completa de Questões sobre Resistência dos Materiais e Análise Estrutural para resolução totalmente grátis. Selecione os assuntos no filtro de questões e comece a resolver exercícios.
Engenharia Civil - Resistência dos Materiais e Análise Estrutural - Centro de Seleção e de Promoção de Eventos UnB (CESPE) - 2004

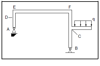
Considere o pórtico plano rígido apresentado na figura acima, submetido ao carregamento uniformemente distribuído com intensidade q. Desprezando o peso próprio do pórtico para as condições geométricas e de carregamento apresentadas, julgue os itens a seguir.
O módulo da reação no apoio B é maior que o módulo da reação no apoio A.
Engenharia Civil - Resistência dos Materiais e Análise Estrutural - Centro de Seleção e de Promoção de Eventos UnB (CESPE) - 2004

Considere o pórtico plano rígido apresentado na figura acima, submetido ao carregamento uniformemente distribuído com intensidade q. Desprezando o peso próprio do pórtico para as condições geométricas e de carregamento apresentadas, julgue os itens a seguir.
O esforço no apoio A submete a fundação sob esse apoio a esforço de tração.
Engenharia Civil - Resistência dos Materiais e Análise Estrutural - Centro de Seleção e de Promoção de Eventos UnB (CESPE) - 2004

Considere o pórtico plano rígido apresentado na figura acima, submetido ao carregamento uniformemente distribuído com intensidade q. Desprezando o peso próprio do pórtico para as condições geométricas e de carregamento apresentadas, julgue os itens a seguir.
A tensão na fibra externa do pórtico localizada no ponto C é de tração.
Engenharia Civil - Resistência dos Materiais e Análise Estrutural - Centro de Seleção e de Promoção de Eventos UnB (CESPE) - 2004

A figura acima apresenta uma treliça plana, simétrica em relação à reta que passa pelos pontos C e F, com todos os seus componentes iguais e submetida ao carregamento Q indicado. Com referência à situação ilustrada, julgue os itens que se seguem.
A componente horizontal da reação no apoio E é maior que a componente vertical da reação no apoio A.
Engenharia Civil - Resistência dos Materiais e Análise Estrutural - Centro de Seleção e de Promoção de Eventos UnB (CESPE) - 2004

Considere o pórtico plano rígido apresentado na figura acima, submetido ao carregamento uniformemente distribuído com intensidade q. Desprezando o peso próprio do pórtico para as condições geométricas e de carregamento apresentadas, julgue os itens a seguir.
O momento fletor na seção transversal que passa pelo ponto D é nulo.
Engenharia Civil - Resistência dos Materiais e Análise Estrutural - Centro de Seleção e de Promoção de Eventos UnB (CESPE) - 2004

A figura acima apresenta uma treliça plana, simétrica em relação à reta que passa pelos pontos C e F, com todos os seus componentes iguais e submetida ao carregamento Q indicado. Com referência à situação ilustrada, julgue os itens que se seguem.
Os trechos AF e EF estão submetidos à compressão.
Engenharia Civil - Resistência dos Materiais e Análise Estrutural - Centro de Seleção e de Promoção de Eventos UnB (CESPE) - 2004

Considere o pórtico plano rígido apresentado na figura acima, submetido ao carregamento uniformemente distribuído com intensidade q. Desprezando o peso próprio do pórtico para as condições geométricas e de carregamento apresentadas, julgue os itens a seguir.
O esforço cortante ao longo de todo o trecho compreendido entre os pontos E e F é nulo.
Engenharia Civil - Resistência dos Materiais e Análise Estrutural - Centro de Seleção e de Promoção de Eventos UnB (CESPE) - 2004

A figura acima apresenta uma treliça plana, simétrica em relação à reta que passa pelos pontos C e F, com todos os seus componentes iguais e submetida ao carregamento Q indicado. Com referência à situação ilustrada, julgue os itens que se seguem.
O trecho CF está submetido à tração.
Engenharia Civil - Resistência dos Materiais e Análise Estrutural - Centro de Seleção e de Promoção de Eventos UnB (CESPE) - 2004
Julgue os itens a seguir, relacionados a dimensionamento de estruturas em concreto armado.
Só são consideradas vigas curtas aquelas em que o comprimento é menor que uma vez e meia a altura.
Engenharia Civil - Resistência dos Materiais e Análise Estrutural - Centro de Seleção e de Promoção de Eventos UnB (CESPE) - 2004

A figura acima apresenta uma treliça plana, simétrica em relação à reta que passa pelos pontos C e F, com todos os seus componentes iguais e submetida ao carregamento Q indicado. Com referência à situação ilustrada, julgue os itens que se seguem.
Os trechos AB e DE estão submetidos à tração.
{TITLE}
{CONTENT}
{TITLE}
Aguarde, enviando solicitação...