Lista completa de Questões de Engenharia Civil da Universidade Federal do Paraná (UFPR) para resolução totalmente grátis. Selecione os assuntos no filtro de questões e comece a resolver exercícios.
Em sistemas hidráulicos, bar e Pascal são unidades de:
viscosidade.
vazão.
pressão.
massa.
potência.
Em sistemas hidráulicos, o equipamento que tem como função armazenar a energia potencial, sob a forma de líquido sob pressão, para restituí-la no momento requerido e com a rapidez desejada, é denominado:
reservatório.
bomba.
acumulador.
pressostato.
válvula de alívio.
Para que um circuito hidráulico regenerativo possa funcionar corretamente, será necessária a utilização de um atuador:
linear de dupla ação.
rotativo unidirecional.
telescópico de simples ação.
linear com haste nos dois lados.
de membrana.
Os fluidos utilizados em circuitos hidráulicos têm duas finalidades básicas: a de transmitir com eficiência a potência que lhe é fornecida e a de lubrificar satisfatoriamente os componentes internos do sistema. Com relação aos fluidos hidráulicos, considere as seguintes afirmativas:
1. Óleos minerais utilizados como fluidos hidráulicos podem conter aditivos antioxidantes, antiespumantes, antidesgastantes e detergentes.
2. A viscosidade de um fluido hidráulico é a medida da resistência que ele oferece ao escoamento.
3. Quanto maior for o índice de viscosidade, maior será a variação da viscosidade em função da variação da temperatura.
4. Soluções de água com etilenoglicol podem ser utilizadas como fluidos hidráulicos resistentes ao fogo.
Assinale a alternativa correta.
Somente as afirmativas 2 e 3 são verdadeiras.
Somente as afirmativas 1, 2 e 4 são verdadeiras.
Somente a afirmativa 4 é verdadeira.
Somente as afirmativas 1, 2 e 3 são verdadeiras.
As afirmativas 1, 2, 3 e 4 são verdadeiras.
Uma boa manutenção em acumuladores hidráulicos evita vazamentos internos e externos. Considerando um acumulador hidráulico a gás, identifique as afirmativas a seguir como verdadeiras (V) ou falsas (F):
( ) Pressões de carga excessivas provocam atraso na entrada do fluido hidráulico e diminuição do volume admitido, resultando em desempenho insatisfatório.
( ) Para desmontar um acumulador, deve-se ter certeza de que não está sob pressão hidráulica e pneumática.
( ) O nitrogênio não deve ser usado como gás pressurizador, uma vez que, sob pressão e em contato com óleo, pode provocar explosão.
( ) Ao realizar reparos em um acumulador, todas as suas tomadas devem ser fechadas com tampas plásticas ou fita adesiva, para impedir a penetração de sujeira.
Assinale a alternativa que apresenta a sequência correta, de cima para baixo.
V V V V.
V V F V.
F V V F.
V F V F.
F F F V.
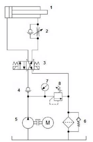
O desenho ao lado é uma representação esquemática de um circuito hidráulico. Considere este desenho para responder as questões 31 a 36.

Identifique, a seguir, os números correspondentes aos símbolos utilizados para:
( ) Manômetro.
( ) Válvula limitadora de pressão.
( ) Válvula direcional.
( ) Bomba.
Assinale a alternativa que apresenta a sequência correta, de cima para baixo.
7 8 5 3.
7 5 3 8.
3 8 7 5.
5 7 3 8.
7 8 3 5.
O desenho ao lado é uma representação esquemática de um circuito hidráulico. Considere este desenho para responder as questões 31 a 36.

Considerando que a bomba seja de engrenagens e esteja em operação, identifique as afirmativas a seguir como verdadeiras (V) ou falsas (F):
( ) Se a válvula direcional estiver em repouso, o fluido recalcado pela bomba retornará ao reservatório por meio da válvula limitadora de pressão.
( ) Ao ser acionada a válvula direcional, o movimento de avanço do cilindro ocorrerá com velocidade controlada.
( ) A velocidade do movimento de retorno do cilindro será controlada por meio da válvula reguladora de vazão.
( ) Se o cilindro estiver avançando sob carga e a bomba for desligada sem alteração da posição da válvula direcional, o fluido retornará ao reservatório por ação da carga existente sobre o cilindro.
Assinale a alternativa que apresenta a sequência correta, de cima para baixo.
V V F F.
V F V F.
V V V V.
F F V F.
F F F V.
O desenho ao lado é uma representação esquemática de um circuito hidráulico. Considere este desenho para responder as questões 31 a 36.

O componente identificado pelo número 6 está no circuito com a finalidade de:
resfriar o fluido na linha de retorno ao reservatório.
fazer a retenção quando houver refluxo do fluido no reservatório.
filtrar o fluido na linha de retorno ao reservatório.
regular a velocidade de retorno do fluido ao reservatório.
atenuar as pulsações da pressão proveniente da bomba.
O desenho ao lado é uma representação esquemática de um circuito hidráulico. Considere este desenho para responder as questões 31 a 36.

A válvula direcional tem acionamento:
elétrico.
hidráulico.
pneumático.
manual.
ótico.
O desenho ao lado é uma representação esquemática de um circuito hidráulico. Considere este desenho para responder as questões 31 a 36.

O componente número 4 é:
uma válvula E.
uma válvula OU.
um acumulador.
um pressostato.
uma válvula de retenção.
{TITLE}
{CONTENT}
{TITLE}
Aguarde, enviando solicitação...