Lista completa de Questões de Engenharia Elétrica do ano 2010 para resolução totalmente grátis. Selecione os assuntos no filtro de questões e comece a resolver exercícios.

Considerando que, na figura acima, todos os elementos de circuito sejam ideais e que I1 e I2 representem correntes de malha, julgue os itens a seguir.
Se a tensão V1 for alterada de 30 V para 0 V, o módulo da corrente que deve fluir pelo resistor de resistência R1 será igual a 10 mA.

Considerando que os elementos do circuito elétrico acima sejam todos ideais, julgue os itens de 66 a 69.
Se o valor de L for nulo e a tensão de entrada vi(t) for uma função degrau unitário, então a tensão de saída será corretamente representada por 

Considerando que os elementos do circuito elétrico acima sejam todos ideais, julgue os itens de 66 a 69.
Caso a tensão da fonte seja vi(t) = sen (2 π f t) V, em que f é uma frequência não nula, então a impedância vista a partir dos terminais A e B será igual a , em que
 , em que 
						
Considerando que os elementos do circuito elétrico acima sejam todos ideais, julgue os itens de 66 a 69.
Se a tensão vi(t) for constante e igual a 1 V, então, em regime permanente, a tensão v0(t) será nula.

Considerando que os elementos do circuito elétrico acima sejam todos ideais, julgue os itens de 66 a 69.
Se vi(t) = sen(2Bft)V, com f = 1 kHz, as quedas de tensão no capacitor, no indutor e no resistor seriam também de natureza senoidal, com a mesma frequência da tensão de entrada vi(t), e estariam em fase, ou seja, teriam o mesmo ângulo de fase que a tensão vi(t).

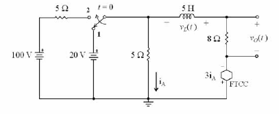
Considere que, no circuito chaveado ilustrado na figura acima acima, constituído de uma fonte de tensão controlada por corrente (FTCC), fontes de tensão independentes CC e elementos passivos de circuito ideais, a chave seja mantida na posição 1, por um longo tempo, em regime permanente, antes do instante t = 0, e que, exatamente nesse instante, a chave seja repentinamente deslocada para a posição 2. Com base nessas informações, julgue os itens seguintes.
Com a chave do circuito na posição 2, o valor em regime permanente da tensão de saída  é superior a 50 V.
é superior a 50 V.

Considere que, no circuito chaveado ilustrado na figura acima acima, constituído de uma fonte de tensão controlada por corrente (FTCC), fontes de tensão independentes CC e elementos passivos de circuito ideais, a chave seja mantida na posição 1, por um longo tempo, em regime permanente, antes do instante t = 0, e que, exatamente nesse instante, a chave seja repentinamente deslocada para a posição 2. Com base nessas informações, julgue os itens seguintes.
A constante de tempo do circuito chaveado na posição 2 é igual a 

Considere que, no circuito chaveado ilustrado na figura acima acima, constituído de uma fonte de tensão controlada por corrente (FTCC), fontes de tensão independentes CC e elementos passivos de circuito ideais, a chave seja mantida na posição 1, por um longo tempo, em regime permanente, antes do instante t = 0, e que, exatamente nesse instante, a chave seja repentinamente deslocada para a posição 2. Com base nessas informações, julgue os itens seguintes.
Imediatamente após o deslocamento da chave da posição 1 para a posição 2, em t = 0, a tensão de saída vO(0+) e a tensão sobre o indutor vL(0+) são iguais a 8 V e 46 V, respectivamente.

Considerando as correntes de malha indicadas no circuito resistivo ilustrado na figura acima, que é alimentado com uma fonte independente de corrente CC com amplitude igual a 12 mA, julgue os próximos itens.
A soma das potências dissipadas por todos os resistores do circuito é inferior a 370 mW.

Considerando as correntes de malha indicadas no circuito resistivo ilustrado na figura acima, que é alimentado com uma fonte independente de corrente CC com amplitude igual a 12 mA, julgue os próximos itens.
A diferença de corrente I1  I2 através do resistor de 2  é igual a 9,6 mA.
é igual a 9,6 mA.
{TITLE}
{CONTENT}
{TITLE}
 
        Aguarde, enviando solicitação...