Lista completa de Questões de Engenharia Elétrica do ano 2011 para resolução totalmente grátis. Selecione os assuntos no filtro de questões e comece a resolver exercícios.

Considerando que os elementos do circuito elétrico acima são ideais e que as resistências são dadas em
, julgue os itens subsecutivos, a respeito das correntes elétricas.
i1 =
mA.

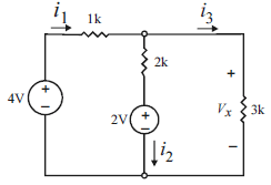
Julgue os itens subsecutivos, a respeito das tensões e correntes presentes no circuito elétrico representado na figura acima, sabendo-se que as resistências são dadas em 
3.000 i1 + 2.000 i2 = 2.

Julgue os itens subsecutivos, a respeito das tensões e correntes presentes no circuito elétrico representado na figura acima, sabendo-se que as resistências são dadas em 
i3
mA.

Julgue os itens subsecutivos, a respeito das tensões e correntes presentes no circuito elétrico representado na figura acima, sabendo-se que as resistências são dadas em 
i2 > 0.

Julgue os itens subsecutivos, a respeito das tensões e correntes presentes no circuito elétrico representado na figura acima, sabendo-se que as resistências são dadas em 
Vx
V.

Considerando que, nos circuitos das figuras de I a VI acima, os amplificadores operacionais sejam ideais e que todos os resistores tenham resistência igual a 1
, é correto afirmar que, no circuito da figura
I, Vo = V1.

Considerando que, nos circuitos das figuras de I a VI acima, os amplificadores operacionais sejam ideais e que todos os resistores tenham resistência igual a 1
, é correto afirmar que, no circuito da figura
II, Vo = -V1.

Considerando que, nos circuitos das figuras de I a VI acima, os amplificadores operacionais sejam ideais e que todos os resistores tenham resistência igual a 1
, é correto afirmar que, no circuito da figura
III, Vo = -2 V1.

Considerando que, nos circuitos das figuras de I a VI acima, os amplificadores operacionais sejam ideais e que todos os resistores tenham resistência igual a 1
, é correto afirmar que, no circuito da figura
IV, Vo = -3 V1.

Considerando que, nos circuitos das figuras de I a VI acima, os amplificadores operacionais sejam ideais e que todos os resistores tenham resistência igual a 1
, é correto afirmar que, no circuito da figura
V, Vo = V1 + V2 + V3.
{TITLE}
{CONTENT}
{TITLE}
Aguarde, enviando solicitação...