Lista completa de Questões de Engenharia Elétrica do ano 2011 para resolução totalmente grátis. Selecione os assuntos no filtro de questões e comece a resolver exercícios.
Engenharia Elétrica - Máquinas Elétricas - Centro de Seleção e de Promoção de Eventos UnB (CESPE) - 2011

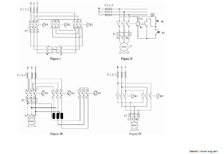
Um motor de indução trifásico novo deve ser testado para instalação em uma máquina, montada em um galpão industrial, após reforma. As especificações desse motor são: potência igual a 17,3 kW; 12 terminais externos para ligações; 4 polos; escorregamento 10%; tensões de alimentação de linha 220/380/440/760 V; 60 Hz; rotor tipo gaiola de esquilo; fator de potência de 80% e rendimento unitário. Para as condições de aplicação do motor, a relação entre a corrente de partida e a corrente nominal é igual a 5. Testes deverão ser efetuados levando-se em conta diferentes ligações elétricas, conforme ilustram os esquemas mostrados nas figuras acima. A partir dessas informações e das figuras apresentadas, julgue os itens subsequentes.
A figura IV mostra esquema de alimentação de motor com inversão de rotação.
Engenharia Elétrica - Máquinas Elétricas - Centro de Seleção e de Promoção de Eventos UnB (CESPE) - 2011

Um motor de indução trifásico novo deve ser testado para instalação em uma máquina, montada em um galpão industrial, após reforma. As especificações desse motor são: potência igual a 17,3 kW; 12 terminais externos para ligações; 4 polos; escorregamento 10%; tensões de alimentação de linha 220/380/440/760 V; 60 Hz; rotor tipo gaiola de esquilo; fator de potência de 80% e rendimento unitário. Para as condições de aplicação do motor, a relação entre a corrente de partida e a corrente nominal é igual a 5. Testes deverão ser efetuados levando-se em conta diferentes ligações elétricas, conforme ilustram os esquemas mostrados nas figuras acima. A partir dessas informações e das figuras apresentadas, julgue os itens subsequentes.
Considere que o motor deva ser alimentado por meio de uma rede trifásica cuja tensão nominal de linha seja igual a 220 V, em 60 Hz. Nessa situação, para testes a vazio, os quatro sistemas de partida poderão ser utilizados adequadamente sem prejuízo para os bobinamentos.
Engenharia Elétrica - Máquinas Elétricas - Centro de Seleção e de Promoção de Eventos UnB (CESPE) - 2011

Um motor de indução trifásico novo deve ser testado para instalação em uma máquina, montada em um galpão industrial, após reforma. As especificações desse motor são: potência igual a 17,3 kW; 12 terminais externos para ligações; 4 polos; escorregamento 10%; tensões de alimentação de linha 220/380/440/760 V; 60 Hz; rotor tipo gaiola de esquilo; fator de potência de 80% e rendimento unitário. Para as condições de aplicação do motor, a relação entre a corrente de partida e a corrente nominal é igual a 5. Testes deverão ser efetuados levando-se em conta diferentes ligações elétricas, conforme ilustram os esquemas mostrados nas figuras acima. A partir dessas informações e das figuras apresentadas, julgue os itens subsequentes.
Com a carga nominal, o motor terá uma velocidade no eixo de 1.800 rpm (rotações por minuto).
Engenharia Elétrica - Máquinas Elétricas - Centro de Seleção e de Promoção de Eventos UnB (CESPE) - 2011

Um motor de indução trifásico novo deve ser testado para instalação em uma máquina, montada em um galpão industrial, após reforma. As especificações desse motor são: potência igual a 17,3 kW; 12 terminais externos para ligações; 4 polos; escorregamento 10%; tensões de alimentação de linha 220/380/440/760 V; 60 Hz; rotor tipo gaiola de esquilo; fator de potência de 80% e rendimento unitário. Para as condições de aplicação do motor, a relação entre a corrente de partida e a corrente nominal é igual a 5. Testes deverão ser efetuados levando-se em conta diferentes ligações elétricas, conforme ilustram os esquemas mostrados nas figuras acima. A partir dessas informações e das figuras apresentadas, julgue os itens subsequentes.
Utilizando-se o sistema de alimentação ilustrado na figura I, a corrente de partida do motor será aproximadamente igual a 55 A, o que equivale a um terço da corrente observada se utilizado o sistema de partida ilustrado na figura II, para uma rede de alimentação trifásica de 380 V.
Engenharia Elétrica - Máquinas Elétricas - Centro de Seleção e de Promoção de Eventos UnB (CESPE) - 2011

Um motor de indução trifásico novo deve ser testado para instalação em uma máquina, montada em um galpão industrial, após reforma. As especificações desse motor são: potência igual a 17,3 kW; 12 terminais externos para ligações; 4 polos; escorregamento 10%; tensões de alimentação de linha 220/380/440/760 V; 60 Hz; rotor tipo gaiola de esquilo; fator de potência de 80% e rendimento unitário. Para as condições de aplicação do motor, a relação entre a corrente de partida e a corrente nominal é igual a 5. Testes deverão ser efetuados levando-se em conta diferentes ligações elétricas, conforme ilustram os esquemas mostrados nas figuras acima. A partir dessas informações e das figuras apresentadas, julgue os itens subsequentes.
O sistema de partida ilustrado no esquema da figura III é recomendado se o objetivo é preservar o valor da tensão nominal do motor em relação à da rede de alimentação no momento da partida.
Engenharia Elétrica - Máquinas Elétricas - Centro de Seleção e de Promoção de Eventos UnB (CESPE) - 2011
Com relação a máquinas elétricas de corrente alternada, julgue os itens subsequentes.
No gerador síncrono subexcitado, a força magnetomotriz de armadura é magnetizante.
Engenharia Elétrica - Máquinas Elétricas - Centro de Seleção e de Promoção de Eventos UnB (CESPE) - 2011
Com relação a máquinas elétricas de corrente alternada, julgue os itens subsequentes.
As máquinas síncronas podem operar nos modos gerador, motor ou compensador síncrono.
Engenharia Elétrica - Máquinas Elétricas - Centro de Seleção e de Promoção de Eventos UnB (CESPE) - 2011
Com relação a máquinas elétricas de corrente alternada, julgue os itens subsequentes.
No método de sincronismo de geradores por meio de lâmpadas incandescentes cuja montagem utilizada para a sincronização de alternadores trifásicos é mostrada no esquema da figura abaixo, a sincronização é estabelecida quando as lâmpadas estão acesas simultaneamente.

Engenharia Elétrica - Máquinas Elétricas - Centro de Seleção e de Promoção de Eventos UnB (CESPE) - 2011

Considerando os circuitos equivalentes mostrados nas figuras acima, em que o subíndice a indicado nas variáveis ou constantes refere-se a circuito de armadura, e o subíndice f refere-se a circuito de campo, julgue os itens a seguir, acerca de motores de corrente contínua (motores CC).
Caso haja necessidade de inversão do sentido de rotação de um motor CC, com excitação em série, será suficiente inverter a polaridade da fonte de alimentação.
Engenharia Elétrica - Máquinas Elétricas - Centro de Seleção e de Promoção de Eventos UnB (CESPE) - 2011

Considerando os circuitos equivalentes mostrados nas figuras acima, em que o subíndice a indicado nas variáveis ou constantes refere-se a circuito de armadura, e o subíndice f refere-se a circuito de campo, julgue os itens a seguir, acerca de motores de corrente contínua (motores CC).
Quando usado na frenagem elétrica, o motor CC opera no modo gerador.
{TITLE}
{CONTENT}
{TITLE}
Aguarde, enviando solicitação...