Lista completa de Questões de Engenharia Eletrônica do ano 2010 para resolução totalmente grátis. Selecione os assuntos no filtro de questões e comece a resolver exercícios.
Engenharia Eletrônica - Eletrônica de Potência - Centro de Seleção e de Promoção de Eventos UnB (CESPE) - 2010

A figura acima mostra um circuito elétrico que contém fontes de tensão constante e resistores com mesmo valor de resistência. No circuito, estão indicados dois nós representando os potenciais e1 e e2, em relação à referência (terra). Com relação a esse circuito elétrico, julgue os itens de 58 a 63.
Se o resistor entre os nós com potenciais e1 e e2 for retirado do circuito (ou seja, se for substituído por circuito aberto), então e2 - e1 será igual a 
Engenharia Eletrônica - Eletrônica de Potência - Centro de Seleção e de Promoção de Eventos UnB (CESPE) - 2010

A figura acima mostra um circuito elétrico que contém fontes de tensão constante e resistores com mesmo valor de resistência. No circuito, estão indicados dois nós representando os potenciais e1 e e2, em relação à referência (terra). Com relação a esse circuito elétrico, julgue os itens de 58 a 63.
Com base na lei de Kirchoff das correntes, é correto afirmar que a corrente de malha I1 deve ser necessariamente igual à corrente I2
Engenharia Eletrônica - Eletrônica de Potência - Centro de Seleção e de Promoção de Eventos UnB (CESPE) - 2010

A figura acima mostra um circuito elétrico que contém fontes de tensão constante e resistores com mesmo valor de resistência. No circuito, estão indicados dois nós representando os potenciais e1 e e2, em relação à referência (terra). Com relação a esse circuito elétrico, julgue os itens de 58 a 63.
Se o resistor conectado entre a fonte de tensão V2 e o nó e2 for retirado do circuito (ou seja, se for substituído por circuito aberto), então o potencial e2 será igual a 
Engenharia Eletrônica - Eletrônica de Potência - Centro de Seleção e de Promoção de Eventos UnB (CESPE) - 2010

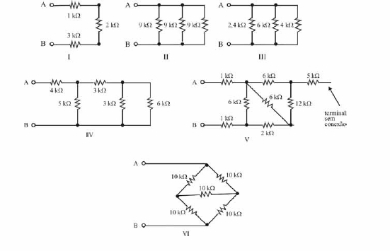
Considerando as figuras de I a VI acima, que mostram diversas associações de resistores, é correto afirmar que a resistência equivalente entre os terminais A e B do circuito na figura
I é igual a 6
Engenharia Eletrônica - Eletrônica de Potência - Centro de Seleção e de Promoção de Eventos UnB (CESPE) - 2010

Considerando as figuras de I a VI acima, que mostram diversas associações de resistores, é correto afirmar que a resistência equivalente entre os terminais A e B do circuito na figura
II é igual a 27 
Engenharia Eletrônica - Eletrônica de Potência - Centro de Seleção e de Promoção de Eventos UnB (CESPE) - 2010

Considerando as figuras de I a VI acima, que mostram diversas associações de resistores, é correto afirmar que a resistência equivalente entre os terminais A e B do circuito na figura
III é igual a 1,2 
Engenharia Eletrônica - Eletrônica de Potência - Centro de Seleção e de Promoção de Eventos UnB (CESPE) - 2010

Considerando as figuras de I a VI acima, que mostram diversas associações de resistores, é correto afirmar que a resistência equivalente entre os terminais A e B do circuito na figura
IV é igual a 6,5 
Engenharia Eletrônica - Eletrônica de Potência - Centro de Seleção e de Promoção de Eventos UnB (CESPE) - 2010

Considerando as figuras de I a VI acima, que mostram diversas associações de resistores, é correto afirmar que a resistência equivalente entre os terminais A e B do circuito na figura
V é igual a 5 
Engenharia Eletrônica - Eletrônica de Potência - Centro de Seleção e de Promoção de Eventos UnB (CESPE) - 2010

Considerando as figuras de I a VI acima, que mostram diversas associações de resistores, é correto afirmar que a resistência equivalente entre os terminais A e B do circuito na figura
VI é igual a 10
Engenharia Eletrônica - Eletrônica de Potência - Centro de Seleção e de Promoção de Eventos UnB (CESPE) - 2010

As figuras de I a III acima mostram circuitos elétricos, com a indicação de fontes de alimentação, de resistores e das correntes de malha. No que diz respeito a esses circuitos, julgue os itens seguintes.
As equações a seguir descrevem corretamente as duas equações de malha para o circuito elétrico mostrado na figura I.

{TITLE}
{CONTENT}
{TITLE}
Aguarde, enviando solicitação...