Lista completa de Questões de Engenharia Eletrônica do ano 2012 para resolução totalmente grátis. Selecione os assuntos no filtro de questões e comece a resolver exercícios.

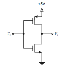
Com relação ao circuito acima, julgue os itens que se seguem.
Se Vx = 0 V, então o transistor NMOS opera na região de corte.

Com relação ao circuito acima, julgue os itens que se seguem.
Se Vx = +5 V, então Vy é aproximadamente igual a +5 V.

Com relação ao circuito acima, julgue os itens que se seguem.
Vy é diretamente proporcional a Vx.
Acerca dos amplificadores de um ou mais estágios, julgue os próximos itens.
Em um amplificador de múltiplos estágios, a principal função do primeiro estágio é proporcionar ganho alto.
Acerca dos amplificadores de um ou mais estágios, julgue os próximos itens.
O ganho de um amplificador diretamente acoplado é menor em altas frequências do que em baixas frequências.
O ganho de um amplificador diretamente acoplado é menor em altas frequências do que em baixas frequências.
o deslocamento total da fase do sinal no circuito deve estar entre 
O ganho de um amplificador diretamente acoplado é menor em altas frequências do que em baixas frequências.
o ganho do circuito em malha fechada deve ser igual a 1.

No circuito II, vo = v1  v2.

No circuito II, vo = v1 + v2.
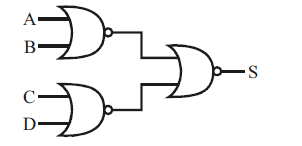
Acerca de circuitos digitais, julgue os itens subsecutivos.
O circuito a seguir implementa corretamente a expressão booliana S = (A+B)x(C+D).

{TITLE}
{CONTENT}
{TITLE}
        Aguarde, enviando solicitação...