Questões de Engenharia Eletrônica da Centro de Seleção e de Promoção de Eventos UnB (CESPE)

Lista completa de Questões de Engenharia Eletrônica da Centro de Seleção e de Promoção de Eventos UnB (CESPE) para resolução totalmente grátis. Selecione os assuntos no filtro de questões e comece a resolver exercícios.

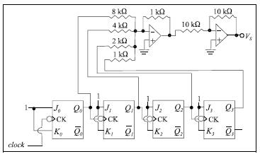
No circuito da figura acima, os flip-flops são do tipo TTL, os amplificadores operacionais são alimentados por tensões de –15 V e +15 V e o sinal de clock é uma onda quadrada em nível TTL com 800 kHz. Com relação a esse circuito, julgue os itens a seguir.

O sinal Q3 é uma onda quadrada com freqüência de 50 kHz.

  • C. Certo
  • E. Errado

No circuito da figura acima, os flip-flops são do tipo TTL, os amplificadores operacionais são alimentados por tensões de –15 V e +15 V e o sinal de clock é uma onda quadrada em nível TTL com 800 kHz. Com relação a esse circuito, julgue os itens a seguir.

O sinal analógico na saída do amplificador operacional é periódico com freqüência de 50 kHz.

  • C. Certo
  • E. Errado

No circuito da figura acima, os flip-flops são do tipo TTL, os amplificadores operacionais são alimentados por tensões de –15 V e +15 V e o sinal de clock é uma onda quadrada em nível TTL com 800 kHz. Com relação a esse circuito, julgue os itens a seguir.

O circuito formado pelos quatro flip-flops corresponde a um circuito seqüencial assíncrono.

  • C. Certo
  • E. Errado

No circuito da figura acima, os flip-flops são do tipo TTL, os amplificadores operacionais são alimentados por tensões de –15 V e +15 V e o sinal de clock é uma onda quadrada em nível TTL com 800 kHz. Com relação a esse circuito, julgue os itens a seguir.

As transições nos flip-flops mostrados na figura ocorrem nas bordas de descida dos sinais conectados aos pinos CK desses flip-flops.

  • C. Certo
  • E. Errado

No circuito da figura acima, os flip-flops são do tipo TTL, os amplificadores operacionais são alimentados por tensões de –15 V e +15 V e o sinal de clock é uma onda quadrada em nível TTL com 800 kHz. Com relação a esse circuito, julgue os itens a seguir.

Quando os sinais digitais Q3, Q2, Q1 e Q0 assumirem os valores lógicos Q3Q2Q1Q0 = 1111, o valor da tensão na saída VS será de 15 V.

  • C. Certo
  • E. Errado

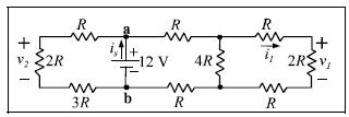
A figura acima mostra um circuito puramente resistivo alimentado por uma fonte DC de 12 V, conectada entre os pontos a e b. Considerando R = 1 •, é correto afirmar que a

tensão v1 é igual a 3 V.

  • C. Certo
  • E. Errado

A figura acima mostra um circuito puramente resistivo alimentado por uma fonte DC de 12 V, conectada entre os pontos a e b. Considerando R = 1 •, é correto afirmar que a

corrente i1 é igual a 2 A.

  • C. Certo
  • E. Errado

A figura acima mostra um circuito puramente resistivo alimentado por uma fonte DC de 12 V, conectada entre os pontos a e b. Considerando R = 1 •, é correto afirmar que a

tensão v2 é igual a 4 V.

  • C. Certo
  • E. Errado

A figura acima mostra um circuito puramente resistivo alimentado por uma fonte DC de 12 V, conectada entre os pontos a e b. Considerando R = 1 •, é correto afirmar que a

corrente is é igual a 6 A.

  • C. Certo
  • E. Errado

A figura acima mostra um circuito puramente resistivo alimentado por uma fonte DC de 12 V, conectada entre os pontos a e b. Considerando R = 1 •, é correto afirmar que a

resistência equivalente do circuito visto a partir da fonte DC é 2,5 •.

  • C. Certo
  • E. Errado
Provas e Concursos

O Provas e Concursos é um banco de dados de questões de concursos públicos organizadas por matéria, assunto, ano, banca organizadora, etc

{TITLE}

{CONTENT}

{TITLE}

{CONTENT}
Provas e Concursos
0%
Aguarde, enviando solicitação!

Aguarde, enviando solicitação...