Lista completa de Questões de Engenharia Mecânica do ano 2007 para resolução totalmente grátis. Selecione os assuntos no filtro de questões e comece a resolver exercícios.
Propõe-se aquecer uma residência durante o inverno usando uma bomba de calor. A temperatura da residência deve ser sempre mantida igual a 20ºC (vinte graus Celsius). Estima-se que, quando a temperatura do meio externo cai a -10ºC (dez graus Celsius negativos), a taxa de transferência de calor da residência para o meio seja igual a 25 KW.
A mínima potência elétrica necessária para acionar essa bomba de calor é
A Associação Americana de Soldagem - American Welding Society (AWS) - define soldagem como sendo o processo de união de materiais usado para obter a coalescência (união) localizada de metais e não-metais, produzida por aquecimento até uma temperatura adequada, com ou sem a utilização de pressão e(ou) material de adição.

Considere que um sistema de tubulação tenha que ser construído com tubulação de aço inox com costura, soldada, conforme mostra a figura acima. A respeito desse processo, julgue os itens a seguir.
Dificilmente essa tubulação apresentará uma solda de qualidade, devido à grande dificuldade de soldagem do aço inoxidável mediante o processo TIG.
A Associação Americana de Soldagem - American Welding Society (AWS) - define soldagem como sendo o processo de união de materiais usado para obter a coalescência (união) localizada de metais e não-metais, produzida por aquecimento até uma temperatura adequada, com ou sem a utilização de pressão e(ou) material de adição.

Considere que um sistema de tubulação tenha que ser construído com tubulação de aço inox com costura, soldada, conforme mostra a figura acima. A respeito desse processo, julgue os itens a seguir.
A natureza dos metais que estão sendo soldados, em geral, interfere no tamanho da zona termicamente afetada.
A Associação Americana de Soldagem - American Welding Society (AWS) - define soldagem como sendo o processo de união de materiais usado para obter a coalescência (união) localizada de metais e não-metais, produzida por aquecimento até uma temperatura adequada, com ou sem a utilização de pressão e(ou) material de adição.

Considere que um sistema de tubulação tenha que ser construído com tubulação de aço inox com costura, soldada, conforme mostra a figura acima. A respeito desse processo, julgue os itens a seguir.
A zona termicamente afetada é a mais resistente da junta soldada, devido à alteração das estruturas cristalinas do material nessa região.
A Associação Americana de Soldagem - American Welding Society (AWS) - define soldagem como sendo o processo de união de materiais usado para obter a coalescência (união) localizada de metais e não-metais, produzida por aquecimento até uma temperatura adequada, com ou sem a utilização de pressão e(ou) material de adição.

Considere que um sistema de tubulação tenha que ser construído com tubulação de aço inox com costura, soldada, conforme mostra a figura acima. A respeito desse processo, julgue os itens a seguir.
Se, em um determinado trecho da tubulação, o soldador utilizar uma velocidade de soldagem maior do que a indicada no projeto, então, a conseqüência direta observada na solda resultante será a apresentação de uma superfície irregular, prejudicial para a qualidade da solda.
A Associação Americana de Soldagem - American Welding Society (AWS) - define soldagem como sendo o processo de união de materiais usado para obter a coalescência (união) localizada de metais e não-metais, produzida por aquecimento até uma temperatura adequada, com ou sem a utilização de pressão e(ou) material de adição.

Considere que um sistema de tubulação tenha que ser construído com tubulação de aço inox com costura, soldada, conforme mostra a figura acima. A respeito desse processo, julgue os itens a seguir.
Se a soldagem da tubulação for realizada com o processo MIG, então o soldador utilizará um eletrodo não-consumível de tungstênio, protegido por atmosfera de gás inerte.
A Associação Americana de Soldagem - American Welding Society (AWS) - define soldagem como sendo o processo de união de materiais usado para obter a coalescência (união) localizada de metais e não-metais, produzida por aquecimento até uma temperatura adequada, com ou sem a utilização de pressão e(ou) material de adição.

Considere que um sistema de tubulação tenha que ser construído com tubulação de aço inox com costura, soldada, conforme mostra a figura acima. A respeito desse processo, julgue os itens a seguir.
Se, durante o processo de soldagem, o soldador, de forma equivocada, utilizar uma amperagem baixa, aquém da estipulada na ordem de serviço, uma das conseqüências na solda realizada será a indução de escória visível.
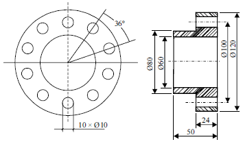
Considere que uma máquina fresadora deve ser utilizada para realizar a operação de furar utilizando uma broca fixada no cabeçote vertical da máquina por meio de um mandril. A peça a ser usinada será fixada em uma mesa divisora com relação de 40/1. Essa peça a ser usinada é um flange, onde se deseja fazer 10 furos eqüidistantes um do outro, conforme mostra a ilustração abaixo.

As primeiras operações que devem ser feitas pelo mecânico de usinagem são a montagem da broca de centro no mandril porta-broca e a regulagem da RPM.
Considere que uma máquina fresadora deve ser utilizada para realizar a operação de furar utilizando uma broca fixada no cabeçote vertical da máquina por meio de um mandril. A peça a ser usinada será fixada em uma mesa divisora com relação de 40/1. Essa peça a ser usinada é um flange, onde se deseja fazer 10 furos eqüidistantes um do outro, conforme mostra a ilustração abaixo.

A divisão angular a ser utilizada pelo mecânico, para se ter o resultado final desejado no projeto, será obtida com 4 voltas completas no manípulo da fresa.
Considere que uma máquina fresadora deve ser utilizada para realizar a operação de furar utilizando uma broca fixada no cabeçote vertical da máquina por meio de um mandril. A peça a ser usinada será fixada em uma mesa divisora com relação de 40/1. Essa peça a ser usinada é um flange, onde se deseja fazer 10 furos eqüidistantes um do outro, conforme mostra a ilustração abaixo.

Como os furos desejados são de 10 mm, não há necessidade da realização prévia de furos-guia.
{TITLE}
{CONTENT}
{TITLE}
Aguarde, enviando solicitação...