Lista completa de Questões de Engenharia (Teoria Geral) do ano 2009 para resolução totalmente grátis. Selecione os assuntos no filtro de questões e comece a resolver exercícios.
Um sistema de 2a ordem, linear e invariante no tempo, com entrada u(t) e saída y(t), é representado pelo modelo em espaço de estado, com as seguintes equações:

Sabendo-se que os polos desse sistema estão localizados nas seguintes posições do plano
e
, os valores de a e b, respectivamente, são

Ao se executar o código acima, o valor da variável soma será

As funções do Matlab f1 e f2 definidas acima implementam um algoritmo de busca depth-first num grafo com n vértices, numerados de 1 até n, e com arestas definidas pelas colunas da matriz a. Ao se executar f1 com entradas n = 5 e a = [1 1 3 3; 3 2 5 4], o vetor d resultante é
O protocolo IEEE 802.11 permite que uma estação utilize, em auxílio à transmissão de quadros de dados entre uma estação remetente e um determinado destinatário, os quadros RTS, CTS e ARQ. Sobre esses, é INCORRETA a explicação de que um quadro
O determinante da matriz A definida abaixo é igual a 12.

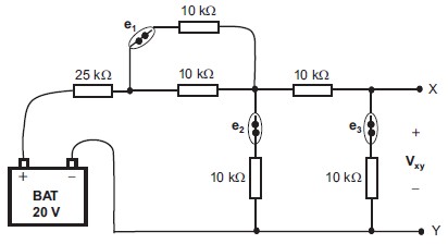
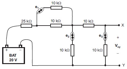
O valor de w é
Uma luminária funciona como o descrito a seguir.
A lâmpada admite três estados: desligada, luminosidade fraca e luminosidade forte.
Estando a lâmpada desligada, se o botão for pressionado uma vez, a lâmpada é acesa com luminosidade fraca e, se o botão for pressionado duas vezes em menos de 5 segundos, a lâmpada é acesa com luminosidade forte.
Estando a lâmpada acesa com luminosidade fraca, se o botão for pressionado novamente após 5 segundos do acendimento, a lâmpada apaga.
Estando a lâmpada acesa com luminosidade forte, se o botão for pressionado, a lâmpada apaga.
O controle da luminária está implementado num CLP, em que a variável booleana de entrada B está associada ao botão (B = 1 para botão pressionado), e as variáveis booleanas de saída L1 e L2 estão associadas ao acendimento da lâmpada com luminosidades fraca e forte, respectivamente (L1, L2 = 1 acende a lâmpada com a luminosidade correspondente). A figura abaixo apresenta o programa na linguagem LADDER que implementa o comportamento especificado.
.
O trecho em LADDER que completa na caixa indicada na figura de modo que as especificações sejam atendidas é






A figura acima ilustra os diagramas de dois sistemas de controle com realimentação unitária. Os modelos matemáticos da planta e do compensador são os mesmos para ambos os sistemas. A diferença entre os dois sistemas está na posição em que o compensador está inserido na malha. Sabe-se que, na planta real, o sinal de entrada corresponde a uma tensão elétrica e o sinal de saída, à velocidade angular de rotação de um eixo. Considere as seguintes afirmativas sobre os sistemas de controle:
I - O diagrama do lugar das raízes (root locus) do sistema 1 é idêntico ao do sistema 2, quando o ganho de malha varia positivamente.
II - A função de transferência em malha fechada do sistema 1 é a mesma do sistema 2.
III - A implementação física do compensador no sistema 1 é distinta daquela para o sistema 2, em função da natureza dos sinais de entrada e de saída da planta.
É(São) correta(s) a(s) afirmativa(s)
Um motor de indução trifásico de 4 polos está conectado a uma fonte de 60 Hz. Sabendo-se que, na potência nominal, o motor possui um escorregamento de 5%, a frequência de seu eixo, em rpm, é

A figura acima apresenta o circuito lógico para a energização de duas máquinas trifásicas por intermédio dos contatores C1 e C2. As chaves S0 e S1 são do tipo sem retenção; K1 representa um relé com retardo na ligação, programado para 15 minutos e K2, um relé com retardo no desligamento, programado para 25 minutos. O ato de acionar uma chave significa apertá-la e soltá-la em seguida. Considere que o operador acionou a chave S0 e, uma hora depois, a chave S1. Analise as afirmativas abaixo a partir desse último instante.
I - a máquina comandada por C1 entrará imediatamente em funcionamento e permanecerá energizada por cerca de 25 minutos, quando, então, será desligada automaticamente.
II - após 15 minutos, a máquina comandada por C2 será energizada e funcionará por cerca de 25 minutos.
III - após 40 minutos, ambas as máquinas estarão desligadas, encerrando-se o ciclo.
É(São) correta(s) APENAS a(s) afirmativa(s)
O tipo de manutenção no qual se faz necessário o acompanhamento da vida útil dos equipamentos, com o objetivo de realizar inspeções periódicas programadas, é definido como Manutenção
{TITLE}
{CONTENT}
{TITLE}
Aguarde, enviando solicitação...