Engenharia Elétrica - Microeletrônica - Centro de Seleção e de Promoção de Eventos UnB (CESPE) - 2015

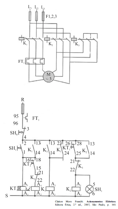
As figuras apresentadas ilustram diagramas de força e de comando para a ligação de um motor de indução trifásico a uma rede elétrica. Com base nessas figuras, julgue os itens que se seguem considerando que a partida do motor ocorra por meio da conexão de chave estrela-triângulo.
O componente representado por FT1 é um botão manual de pressão para desenergizar o circuito de força do motor, utilizado no caso de haver falha no componente KT1.{TITLE}
{CONTENT}
{TITLE}
        Aguarde, enviando solicitação...