Lista completa de Questões sobre Eletrônica analógica e digital para resolução totalmente grátis. Selecione os assuntos no filtro de questões e comece a resolver exercícios.
Engenharia de Telecomunicações - Eletrônica analógica e digital - Fundação CESGRANRIO (CESGRANRIO) - 2006
Considere a função booleana das variáveis A, B e C dada por:
                      
A expressão mais simplificada para X é:

Engenharia de Telecomunicações - Eletrônica analógica e digital - Fundação CESGRANRIO (CESGRANRIO) - 2006

A figura acima ilustra um circuito alimentado por uma fonte de tensão contínua de 12 V. O circuito encontra-se operando em regime permanente com a chave S fechada. Em determinado instante, abre-se a chave S. Imediatamente após a abertura da chave, os valores da tensão VC, em volts, e da corrente IC, em ampères, são, respectivamente:
Engenharia de Telecomunicações - Eletrônica analógica e digital - Fundação CESGRANRIO (CESGRANRIO) - 2006
Um determinado circuito é formado por um resistor alimentado por uma fonte de corrente contínua. Nestas condições, quando percorrido por uma corrente 
, a potência elétrica dissipada por esse resistor é igual a
 . Numa outra situação, este mesmo resistor é desconectado da fonte de corrente contínua e conectado a uma fonte de corrente alternada senoidal. O valor de pico da corrente elétrica neste novo circuito é ajustado até se tornar igual a 
. A potência elétrica dissipada no resistor nessas condições será igual a:





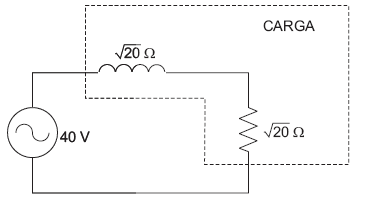
Engenharia de Telecomunicações - Eletrônica analógica e digital - Fundação CESGRANRIO (CESGRANRIO) - 2006

O esquema acima apresenta um circuito com uma fonte de tensão alternada senoidal de 40V eficazes, e uma carga composta por uma associação RL série. A potência ativa solicitada, em W, é de:


20

Engenharia de Telecomunicações - Eletrônica analógica e digital - Fundação CESGRANRIO (CESGRANRIO) - 2006
                     
O sistema trifásico acima é composto por uma fonte simétrica na seqüência ABC e uma carga equilibrada, cujo valor da impedância conectada à fase A é de 10 ohms com ângulo de 10º.Sabendo-se que a ddp entre as fases B e C é igual a 220 
volts de pico com ângulo de 30º,a corrente eficaz
 , em ampères, é:
12,7 com ângulo de + 30º.
12,7 com ângulo de + 110º.
22,0 com ângulo de + 10º.
22,0 com ângulo de + 30°.
22,0 com ângulo de + 110º.
Engenharia de Telecomunicações - Eletrônica analógica e digital - Fundação CESGRANRIO (CESGRANRIO) - 2006
Os amplificadores transistorizados que utilizam TJB são divididos em classes, de acordo com a maneira de amplificação dos sinais senoidais. Com relação a essas classes, considere as afirmativas a seguir.
I - O classe A amplifica integralmente os dois semiciclos (positivo e negativo).
II - O classe B amplifica um pulso simétrico, formado por parte de um semiciclo, e cuja duração é maior do que meio período da senóide.
III - O classe C amplifica um pulso simétrico, com apenas parte de um semiciclo, e cuja duração é menor do que meio período da senóide.
É(São) verdadeira(s) apenas a(s) afirmativa(s):
Engenharia de Telecomunicações - Eletrônica analógica e digital - Fundação CESGRANRIO (CESGRANRIO) - 2006
                
A figura acima ilustra um circuito alimentado por uma fonte de tensão alternada senoidal. O comportamento desse circuito, em termos de resposta em freqüência, corresponde a um filtro:
passa-baixa.
passa-baixa com notch na banda de rejeição.
passa-alta.
passa-banda.
rejeita-banda.
Engenharia de Telecomunicações - Eletrônica analógica e digital - Fundação CESGRANRIO (CESGRANRIO) - 2006
             






Engenharia de Telecomunicações - Eletrônica analógica e digital - Fundação CESGRANRIO (CESGRANRIO) - 2006

As figuras acima ilustram as curvas de módulo (dB) e de fase (graus) da resposta em freqüência de um determinado circuito. Considere dois sinais senoidais de saída em regime permanente com amplitudes V1 e V2 e ângulos, respectivamente, 
, correspondentes a duas entradas senoidais com mesmas amplitudes e em fase, mas com freqüências de 
. A relação entre as amplitudes das respostas 
 e o valor absoluto da diferença de fase em graus entre elas, em regime permanente, são, aproximadamente:
4 e 20º.
10 e 20°.
100 e 20º.
100 e 45°.
1000 e 45°.
Engenharia de Telecomunicações - Eletrônica analógica e digital - Fundação CESGRANRIO (CESGRANRIO) - 2006
                                        
O circuito da figura acima representa um conversor de tensão bastante simples, que tem por finalidade permitir a variação do valor médio da tensão aplicada sobre a carga resistiva. Sobre o gate do SCR é aplicado um sinal periódico. Em um período, o SCR conduz durante o tempo
 ,e permanece cortado durante o tempo 
 Nestas condições, a expressão do valor médio da tensão sobre a carga é:





{TITLE}
{CONTENT}
{TITLE}
        Aguarde, enviando solicitação...