Lista completa de Questões de Engenharia Elétrica do ano 2010 para resolução totalmente grátis. Selecione os assuntos no filtro de questões e comece a resolver exercícios.

Considere o conversor CA – CC representado na figura acima, alimentado por uma tensão senoidal de valor eficaz de 200V / 60 Hz. A potência, em W, dissipada pela resistência R, é
1000
920
810
500
140

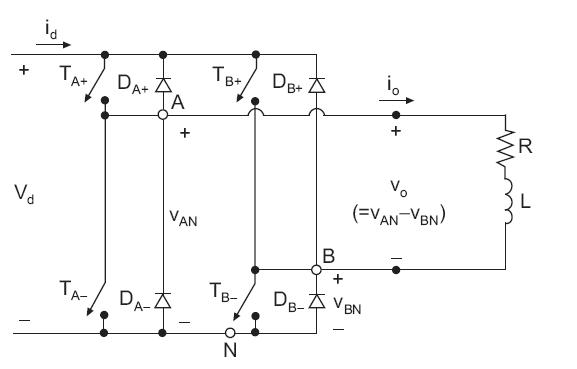
Considere um conversor em ponte ideal, conforme a figura acima. É correto afirmar que
o conversor apresenta fluxo de potência unidirecional.
caso o esquema de chaveamento seja PWM bipolar, são necessárias duas tensões de controle em que cada perna do conversor é acionada de forma independente.
caso o esquema de chaveamento seja PWM unipolar, a cada comutação das chaves, a tensão de saída alterna entre os valores Vd e 0 ou entre −Vd e 0, dependendo do valor da única tensão de controle.
caso o esquema de chaveamento seja o PWM bipolar, a relação entre a tensão de saída e a tensão de controle é linear.
se a carga alimentada pelo conversor for puramente indutiva, os diodos em paralelo podem ser removidos do circuito.

Considere o conversor CC – CC não isolado, considerado ideal, operando em modo contínuo, representado na figura acima. Admitindo que o ciclo de trabalho (duty cycle) D vale 0,5 e que a tensão de entrada Vd é de 10V, a tensão V0 de saída, em volts, é
100
50
20
10
5

A figura acima apresenta o diagrama em blocos de um sistema de controle em malha fechada. Para que no domínio do tempo a saída y(t) siga a entrada de referência r(t), do tipo degrau, com erro de estado estacionário NULO, a expressão do ganho M será
K/50
K/K +50
1/K
1/K +50
K +50/K
Coonsidere a figura e os dados abaixo para responder às questões de nos 41 e 42

A figura acima ilustra um sistema de controle em que uma planta com comportamento instável é estabilizada por meio de um compensador. Os modelos matemáticos da planta e do compensador encontram-se na figura. O compensador apresenta um ganho positivo K que deverá ser ajustado.
Verifica-se que para um determinado valor de K, o sistema em malha fechada apresenta um polo localizado em s = −8 . Este valor é
35/3
40/3
45/6
55/6
65/9
Um dado circuito alimenta uma carga de 5.500 W com 220 V em seus terminais (fase neutro). Sabe-se que o comprimento desse circuito é de 10 metros, com queda de tensão unitária de 20 V/(A.Km), já considerando o percurso dos cabos que compõem a fase e o neutro. A queda de tensão, em volts, nesse circuito alimentador, é de
40,0
20,0
10,0
5,0
2,5
Uma indutância de 200 mH submetida a uma corrente alternada senoidal de 127 V / 60 Hz tem reatância, aproximadamente, igual a
1,2 
43 
75 
120 
240
Atenção: As questões de números 37 e 38 referem-se ao circuito abaixo.

Se o capacitor de filtro da fonte de alimentação estiver desligado, a tensão média no ponto X vale, aproximadamente, em volts,
65.
55.
45.
35.
25.
Atenção: As questões de números 37 e 38 referem-se ao circuito abaixo.

Com o capacitor de filtro ligado, a tensão no ponto X é
alternada, com valor pico a pico diretamente proporcional a C.
alternada, com valor pico a pico inversamente proporcional a RL.
contínua, com ripple de valor pico a pico inversamente proporcional a IL.
contínua, com ripple de valor pico a pico diretamente proporcional a RL.
contínua, com ripple de valor pico a pico diretamente proporcional a IL.
Têm-se três circuitos:
Circuito 1: três resistências de 100 Ω em paralelo;
Circuito 2: três indutâncias de 100 H em série (indutância mútua nula);
Circuito 3: três capacitores de 100 μF em série.
O valor do dispositivo equivalente em cada circuito é dado em:





{TITLE}
{CONTENT}
{TITLE}
 
        Aguarde, enviando solicitação...