Lista completa de Questões de Engenharia Elétrica da Centro de Seleção e de Promoção de Eventos UnB (CESPE) para resolução totalmente grátis. Selecione os assuntos no filtro de questões e comece a resolver exercícios.
Engenharia Elétrica - Instalacao Elétrica - Centro de Seleção e de Promoção de Eventos UnB (CESPE) - 2004

A figura acima representa a planta baixa de uma dependência de uma residência com sua respectiva instalação elétrica, alimentada com tensão igual a 220 V e desenhada segundo a ABNT. Com relação a essa instalação, julgue os seguintes itens.
Considere que tenha havido aumento de carga no circuito 1, com conseqüente sobreaquecimento leve dos condutores, detectado minutos após a instalação das cargas, sem, contudo, ter havido nenhum tipo de prejuízo aos condutores ou às cargas que o circuito alimenta. Nessa situação, a substituição dos condutores por outros de maior seção transversal é procedimento de manutenção preventiva.
Engenharia Elétrica - Subestações e Equipamentos Elétricos - Centro de Seleção e de Promoção de Eventos UnB (CESPE) - 2004
Julgue os itens a seguir, acerca de equipamentos elétricos.
Considerando o tipo de construção do elemento térmico, os disjuntores podem ser do tipo sem compensação térmica.
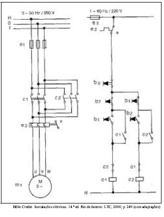
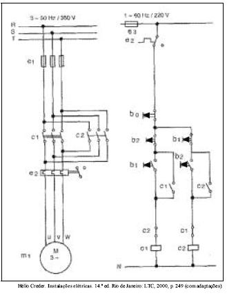
A figura acima mostra os diagramas de força e de controle do acionamento de um motor de indução trifásico de rotor em gaiola. Julgue os itens abaixo, relativos ao acionamento e aos diagramas.
O acionamento permite a partida do motor em ambos os sentidos de rotação possíveis. Entretanto, não permite a reversão do sentido de rotação quando o motor já está em funcionamento.
Engenharia Elétrica - Eletrônica digital - Centro de Seleção e de Promoção de Eventos UnB (CESPE) - 2004
Com relação a aspectos de sistemas digitais, julgue os itens subseqüentes.
O circuito lógico mostrado na figura a seguir implementa a função lógica que executa a tabela verdade subseqüente.

Engenharia Elétrica - Instalacao Elétrica - Centro de Seleção e de Promoção de Eventos UnB (CESPE) - 2004
Sistemas de compressão formados pela instalação de compressores centrífugos em série ou em paralelo são comumente encontrados em instalações industriais. Acerca desse tipo de instalação, julgue os itens a seguir.
As instalações em paralelo permitem a injeção ou a extração de fluxo em níveis intermediários de pressão.
Engenharia Elétrica - Subestações e Equipamentos Elétricos - Centro de Seleção e de Promoção de Eventos UnB (CESPE) - 2004

A figura acima mostra o diagrama unifilar de um sistema elétrico para suprir quatro alimentadores em 13,8 kV a partir de um transformador. O lado primário desse transformador apresenta tensão nominal de 69 kV e o secundário, de 13,8 kV. A potência nominal do transformador é igual a 20 MVA e a sua impedância de natureza puramente reativa é igual a 10% nas bases nominais de tensão e de potência do equipamento. A potência de curto-circuito trifásica no barramento de 69 kV é igual a 500 MVA. A partir dessas informações, julgue os itens a seguir.
Considerando os dados nominais de tensão e de potência do transformador como bases, a corrente de curto-circuito trifásico na barra de 13,8 kV do transformador é superior a 6,5 pu.
A figura acima mostra os diagramas de força e de controle do acionamento de um motor de indução trifásico de rotor em gaiola. Julgue os itens abaixo, relativos ao acionamento e aos diagramas.
Com o motor parado, ao se pressionar o botão b1, é aplicada partida direta ao motor. Ao se liberar o botão b1, a bobina do contator c1 continua sendo alimentada pelo contato normalmente aberto desse contator.
Engenharia Elétrica - Eletrônica digital - Centro de Seleção e de Promoção de Eventos UnB (CESPE) - 2004
Em sistemas de manufatura, fábricas e usinas, é comum o emprego de controladores lógicos programáveis (CLPs) bem como de dispositivos de suporte, tais como transmissores e supervisórios. Nesse contexto, julgue os itens subseqüentes.
CLPs dotados apenas de entradas digitais optoisoladas e saídas digitais por relé podem ser usados para a automação de processos cujos sensores e atuadores são do tipo liga/desliga.
Engenharia Elétrica - Instalacao Elétrica - Centro de Seleção e de Promoção de Eventos UnB (CESPE) - 2004
Sistemas de compressão formados pela instalação de compressores centrífugos em série ou em paralelo são comumente encontrados em instalações industriais. Acerca desse tipo de instalação, julgue os itens a seguir.
Instalações em paralelo permitem a realização de resfriamento intermediário do gás para evitar que sejam atingidos níveis exagerados de temperatura ou para reduzir a potência de compressão.
Engenharia Elétrica - Subestações e Equipamentos Elétricos - Centro de Seleção e de Promoção de Eventos UnB (CESPE) - 2004

A figura acima mostra o diagrama unifilar de um sistema elétrico para suprir quatro alimentadores em 13,8 kV a partir de um transformador. O lado primário desse transformador apresenta tensão nominal de 69 kV e o secundário, de 13,8 kV. A potência nominal do transformador é igual a 20 MVA e a sua impedância de natureza puramente reativa é igual a 10% nas bases nominais de tensão e de potência do equipamento. A potência de curto-circuito trifásica no barramento de 69 kV é igual a 500 MVA. A partir dessas informações, julgue os itens a seguir.
A potência de curto-circuito trifásico no lado de 13,8 kV do transformador é superior a 500 MVA, em razão da presença dos quatro alimentadores.
{TITLE}
{CONTENT}
{TITLE}
Aguarde, enviando solicitação...