Lista completa de Questões de Engenharia Elétrica da Centro de Seleção e de Promoção de Eventos UnB (CESPE) para resolução totalmente grátis. Selecione os assuntos no filtro de questões e comece a resolver exercícios.
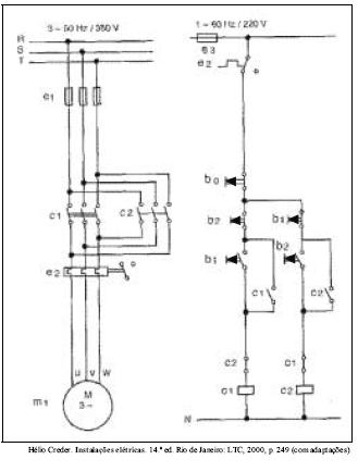
A figura acima mostra os diagramas de força e de controle do acionamento de um motor de indução trifásico de rotor em gaiola. Julgue os itens abaixo, relativos ao acionamento e aos diagramas.
A figura abaixo mostra um diagrama de controle com acionamento por chave que poderia substituir adequadamente o mostrado acima, que tem acionamento por botão.
Engenharia Elétrica - Eletrônica digital - Centro de Seleção e de Promoção de Eventos UnB (CESPE) - 2004

Considerando que a tabela-verdade mostrada acima está relacionada a um circuito combinacional, julgue os itens que se seguem.

Engenharia Elétrica - Geração e Distribuição de Energia Elétrica - Centro de Seleção e de Promoção de Eventos UnB (CESPE) - 2004
Considerando que o condomínio Álamos é constituído por unidades residenciais que utilizam energia elétrica de forma independente, julgue os itens a seguir, acerca das condições gerais de fornecimento de energia elétrica.
Considere a seguinte situação hipotética.
O proprietário de uma das unidades consumidoras componente do condomínio Álamos solicitou à respectiva concessionária de serviço de energia elétrica a emissão de segunda via de uma fatura.
Nessa situação, a referida concessionária poderá cobrar do solicitante pela emissão da segunda via.
Engenharia Elétrica - Subestações e Equipamentos Elétricos - Centro de Seleção e de Promoção de Eventos UnB (CESPE) - 2004

As figuras I e II acima mostram dois arranjos de subestações. A respeito desses arranjos, julgue os itens subseqüentes.
No arranjo da figura I, é necessária a desenergização dos barramentos para se realizar manutenção em qualquer dos disjuntores.
Engenharia Elétrica - Teoria de Controle - Centro de Seleção e de Promoção de Eventos UnB (CESPE) - 2004
Julgue os itens subseqüentes, relativos a sensores.
O transformador diferencial linear variável, comumente conhecido pela sigla inglesa LVDT, tem como principal aplicação a medição de corrente diferencial.
A figura acima mostra os diagramas de força e de controle do acionamento de um motor de indução trifásico de rotor em gaiola. Julgue os itens abaixo, relativos ao acionamento e aos diagramas.
No diagrama de força, o local mais indicado para a conexão de um relé detector de falta de fase é entre as fases R, S e T da alimentação e o elemento e1.
Engenharia Elétrica - Eletrônica digital - Centro de Seleção e de Promoção de Eventos UnB (CESPE) - 2004

Considerando que a tabela-verdade mostrada acima está relacionada a um circuito combinacional, julgue os itens que se seguem.
O circuito a seguir realiza a tabela-verdade em questão.

Engenharia Elétrica - Subestações e Equipamentos Elétricos - Centro de Seleção e de Promoção de Eventos UnB (CESPE) - 2004

As figuras I e II acima mostram dois arranjos de subestações. A respeito desses arranjos, julgue os itens subseqüentes.
O arranjo da figura II é conhecido como arranjo em disjuntor-e-meio.
Engenharia Elétrica - Teoria de Controle - Centro de Seleção e de Promoção de Eventos UnB (CESPE) - 2004
Julgue os itens subseqüentes, relativos a sensores.
O codificador óptico incremental, comumente conhecido por optical incremental encoder, é utilizado principalmente na medição de pequenos deslocamentos angulares de eixos rotativos.
A figura acima mostra o diagrama de controle do acionamento de um motor de indução trifásico de rotor em gaiola. Julgue os seguintes itens, relativos ao acionamento e ao diagrama.
O relé temporizado é energizado simultaneamente à bobina do contator c2, após o botão b1 ser pressionado.
{TITLE}
{CONTENT}
{TITLE}
Aguarde, enviando solicitação...