Lista completa de Questões de Engenharia Elétrica da MAKIYAMA para resolução totalmente grátis. Selecione os assuntos no filtro de questões e comece a resolver exercícios.
Qual das alternativas abaixo descreve corretamente uma das características dos sistemas trifásicos equilibrados?
A soma das duas primeiras tensões é igual à última tensão ao quadrado.

As amplitudes das 3 fases são idênticas entre si, com diferentes desfasamentos entre elas.
A soma das tensões das fases ser nula em qualquer instante.
Uma fonte de tensão trifásica equilibrada pode ser entendida como um conjunto de 2 fontes bifásicas.
Quanto às potências associadas a uma carga ligada em triângulo e a essa mesma carga, ligada em estrela, podemos afirmar que
as potências associadas a uma carga ligada em triângulo são 3 vezes superiores às potências associadas a essa mesma carga quando ligada em estrela.
as potências associadas a uma carga ligada em estrela são 3 vezes superiores às potências associadas a essa mesma carga quando ligada em triângulo.
as potências associadas a uma carga ligada em estrela são √3 vezes inferiores às potências associadas a essa mesma carga quando ligada em triângulo.
as potências associadas a uma carga ligada em estrela ou a essa mesma carga quando ligada em triângulo são iguais.
Não é possível comparar essas duas grandezas.
Para a definição do problema do fluxo de carga (Load flow) ou fluxo de potência (Power flow), obtem-se condições de operação em uma rede em Regime Permanente com topologia e injeções conhecidas. São associadas quatro variáveis a cada barra da rede (nó elétrico). Qual das alternativas abaixo não representa uma destas quatro variáveis (considerando barra k )?
Vk - Magnitude do fasor tensão nodal da barra k.
Gk - Ângulo de fase do gerador ativo da barra k.
Pk - Injeção líquida (geração menos carga) de potência ativa da barra k.
Qk - Injeção líquida de potência reativa da barra k.
θk - Ângulo de fase do fasor tensão nodal da barra k.
Qual das alternativas abaixo apresenta um tipo de curto-circuito (falta ou defeito) que é equilibrado e contém somente componentes de seqüência positiva (curtos-circuitos nos terminais de um gerador síncrono)?
Bifásico ou dupla-fase.
Bifásicos à terra ou dupla-fase à terra.
Monofásicos à terra ou fase-terra.
Trifásico.
Monofásico.
O componente eletrônico chamado L.E.D. é um?
Resistor que emiti luz quando polarizado corretamente.
Diodo semicondutor que emiti luz quando polarizado somente com positivo.
Diodo semicondutor que emiti luz quando polarizado corretamente.
Diodo semicondutor que emiti luz quando polarizado somente com negativo.
Diodo condutor que emiti luz ao ser exposto a luminosidade.
Que tipo de instrumento deve ser utilizado para a correta medição de valores eficazes em uma rede com distorção harmônica?
Instrumentos digitais
Instrumentos analógicos
Instrumentos de bobina móvel
Instrumentos true RMS
Instrumentos com retificador pare leitura de valores médios.
Pode-se afirmar que 0,12450 A é o mesmo que:
124,5 mA.
12,5 mA.
1245 
1,245 
1,245 kA.
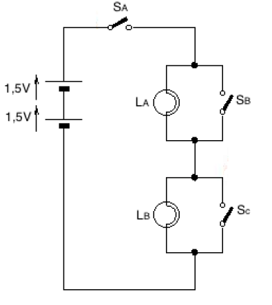
Sobre circuito apresentado abaixo é correto afirmar que:

Quando apenas o interruptor SB é fechado, a lâmpada LA se acende.
Quando os interruptores SA, SB e SC são fechados as lâmpadas LA e LB se acendem.
Quando apenas os interruptores SB e SC são fechados, a lâmpada LB se acende.
Quando apenas os interruptores SA e SC são fechados, as lâmpadas LA e LB se acendem.
Quando apenas os interruptores SA e SC são fechados, a lâmpada LA se acende.
Um motor CC sem escovas (Brushless DC Motor) é caracterizado por:
Ser acionado em CA, geralmente, com realimentação de posição do rotor
Ser acionado por recortador elevador (Step Up Chopper)
Ser acionado por reostatos
Ser acionado diretamente pela rede CA
As bobonas do rotor serem curto-circuitadas e assim não necessitam de escovas
Que vantagem existe em partir um motor de indução com um inversor de freqüência com uma chave compensadora?
O escorregamento é praticamente nulo em relação a rotação síncrona
O torque é maior apesar da corrente de partida também maior
O torque é maior apesar do fator de potência ser menor.
O torque é maior com fator de potência maior e corrente de partida menor
Causa menos distorção harmônica na rede.
{TITLE}
{CONTENT}
{TITLE}
Aguarde, enviando solicitação...