Lista completa de Questões de Engenharia Eletrônica da CCV / UFC Coordenadoria de Concursos para resolução totalmente grátis. Selecione os assuntos no filtro de questões e comece a resolver exercícios.
Um relé é energizado quando a tensão em sua bobina é de 12 V e a corrente de aproximadamente 40 mA. Para medir com maior precisão a resistência ôhmica da bobina, um multímetro digital deve estar com a chave seletora de fundo de escala em:
20 ohms
200 ohms
2 Kohms
20 Kohms
200 Kohms
Dado o circuito apresentado na figura, cuja fonte de tensão alternada Vi é igual a [20sen(ωt)]V, responda qual a tensão máxima na resistência do circuito, supondo que a tensão direta no diodo é de 0,7V.

10 V
14 V
20 V
19,3 V
20,7 V
Seja uma forma onda do tipo seno, com distorção harmônica nula, de valor de pico 180 Volts. O valor eficaz deste forma de é:
110V
127V
156V
220V
Não podemos determinar pois não foi dada a frequência da onda.
Para o circuito da figura ao lado assinale a alternativa que corresponde à resistência de Thevenin vista à esquerda dos pontos A e B.

22,5 ohms
20 ohms
15 ohms
10 ohms
5 ohms
Dado o circuito elétrico apresentado na figura, encontre a tensão e a corrente na resistência RL (Os valores de todos os resistores são dados em Ohms).

V = 22V; I = 100 mA
V = 10V; I = 200 mA
V= 30 V; I = 300 mA
V = 20 V; I = 100 mA
V = 20 V; I = 150 mA
De acordo com a figura abaixo assinale a afirmativa que corresponde ao valor da corrente de emissor IE e da tensão de emissor VE. Os valores das resistências abaixo são dadas em ohms.

4,2 mA / 3,15 V
3 mA / 3,5 V
4,2 mA / 3,5 V
10 mA / 22 V
15 mA / 2,3 V
Sobre os transistores de efeito de campo, assinale a alternativa correta.
Podem ser do tipo NPN ou PNP.
Podem ser de modo depleção ou crescimento.
É acionado a partir de uma corrente injetada na base.
O FET de depleção tem uso generalizado em circuitos digitais.
São largamente utilizados nos circuitos integrados da família 74.
Seja um regulador a zener que tem uma tensão de entrada de 15V a 20V e a corrente de carga de 5 a 20mA. Se o zener tem VZ=6,8V, IZMIN = 4ma, IZMAX=40mA, assinale a alternativa que representa o valor da resistência de carga Rs, conforme a figura abaixo.

RS < 150
200
< RS <230
293
< RS <342
470
< RS <680
Os dados não são suficientes para o cálculo.
Os termistores são excelentes sensores para aplicações que seja necessário uma alta sensibilidade com as mudanças de temperatura. Sobre termistores, assinale a alternativa correta.
Os termistores PTC têm coeficiente de temperatura negativo.
A resistência elétrica dos termistores não varia com a mudança da temperatura.
Os termistores PTC e NTC têm variação linear em todas as faixas de temperatura.
Os termistores NTC têm coeficiente de temperatura negativo.
O termistor PTC é mais sensível a variação de temperatura.
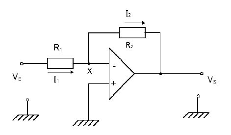
Sendo R2 = 15 Kohms e R1 = 5 Kohms, assinale a alternativa que representa o ganho do circuito da figura abaixo:

- 3
3
5
10
15
{TITLE}
{CONTENT}
{TITLE}
Aguarde, enviando solicitação...