Lista completa de Questões sobre Subestações e Equipamentos Elétricos para resolução totalmente grátis. Selecione os assuntos no filtro de questões e comece a resolver exercícios.
A manutenção dos equipamentos elétricos é uma atividade importante para a qualidade da energia elétrica, tanto sob o aspecto da observância dos níveis de tensão, quanto para a continuidade do fornecimento de energia. NÃO é uma atividade ou ação preditiva:
O dimensionamento e a especificação corretos de materiais, equipamentos e dispositivos constituem fatores determinantes no desempenho de uma instalação elétrica, e se não forem especificados adequadamente podem acarretar sérios riscos à instalação, bem como comprometê-la sob o ponto de vista de confiabilidade, além dos prejuízos de ordem financeira. A respeito de materiais e dispositivos elétricos, assinale a afirmativa correta.
Engenharia Elétrica - Subestações e Equipamentos Elétricos - Centro de Seleção e de Promoção de Eventos UnB (CESPE) - 2016

Usando o método nodal e o de malhas, assinale a opção correta no que se refere à análise do circuito apresentado.
Engenharia Elétrica - Subestações e Equipamentos Elétricos - Centro de Seleção e de Promoção de Eventos UnB (CESPE) - 2016

Considere que o circuito elétrico apresentado esteja operando em regime permanente quando, subitamente, a chave se abre. Com referência a essa situação, assinale a opção correta.
Engenharia Elétrica - Subestações e Equipamentos Elétricos - Centro de Seleção e de Promoção de Eventos UnB (CESPE) - 2016

O desfibrilador é um dispositivo que visa interromper contrações desordenadas do coração por meio da aplicação no órgão de um choque elétrico. Um desfibrilador típico é representado, simplificadamente, pelo circuito ilustrado na figura I, em que o capacitor deve estar inicialmente carregado e R representa a resistência do corpo do paciente. O desfibrilador, empregado para salvar o paciente, deve gerar no corpo deste, uma tensão cuja forma de onda está mostrada na figura II.
Com relação às figuras e às informações apresentadas, assinale a opção correta.
Engenharia Elétrica - Subestações e Equipamentos Elétricos - Centro de Seleção e de Promoção de Eventos UnB (CESPE) - 2016
Para testar um equipamento elétrico cujo circuito interno era desconhecido, conectou-se aos seus terminais uma fonte de tensão dada por v(t) = 5 cos(10πt + 10°)V. Como resultado, a corrente medida no equipamento, em regime permanente, foi i(t) = 2 cos(10πt + 41°)A.
A respeito dessas informações, assinale a opção correta.
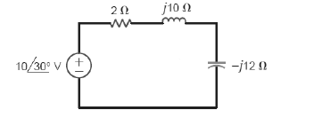
Engenharia Elétrica - Subestações e Equipamentos Elétricos - Centro de Seleção e de Promoção de Eventos UnB (CESPE) - 2016

Quando o circuito elétrico apresentado estiver operando em regime permanente senoidal, a amplitude, em volts, e a fase, em graus, da tensão no indutor serão, respectivamente, iguais a
e 135.
e 135.
e 165.Engenharia Elétrica - Subestações e Equipamentos Elétricos - Centro de Seleção e de Promoção de Eventos UnB (CESPE) - 2016

A partir do circuito apresentado e das correntes de malha nele indicadas, assinale a opção que apresenta a equação matricial cuja solução fornece o valor correto dessas correntes.





Engenharia Elétrica - Subestações e Equipamentos Elétricos - Centro de Seleção e de Promoção de Eventos UnB (CESPE) - 2016

A transadmitância de curto-circuito, em siemens, do circuito elétrico linear de duas portas apresentado na figura, também conhecido como quadripolo, é igual a
Engenharia Elétrica - Subestações e Equipamentos Elétricos - Centro de Seleção e de Promoção de Eventos UnB (CESPE) - 2016
Assinale a opção correta acerca de diodos de silício.
Na figura a seguir, que mostra uma curva característica de um diodo, as regiões identificadas por A, B e C correspondem, respectivamente, à polarização inversa, disrupção e polarização direta.

{TITLE}
{CONTENT}
{TITLE}
Aguarde, enviando solicitação...