Lista completa de Questões de Engenharia Elétrica do ano 2016 para resolução totalmente grátis. Selecione os assuntos no filtro de questões e comece a resolver exercícios.
Engenharia Elétrica - Projetos Elétricos - Centro de Seleção e de Promoção de Eventos UnB (CESPE) - 2016

No que concerne à leitura e à interpretação de projetos de instalações elétricas bem como à planta da locação dos pontos elétricos na habitação apresentada, julgue o próximo item.
De acordo com o projeto apresentado, nas instalações elétricas dessa residência, serão necessários quatro tomadas baixas, uma tomada alta, seis tomadas médias, seis pontos de luz no teto, dois interruptores de uma seção e quatro interruptores paralelos.
A corrente nominal do chuveiro é de

Engenharia Elétrica - Teoria de Controle - Centro de Seleção e de Promoção de Eventos UnB (CESPE) - 2016

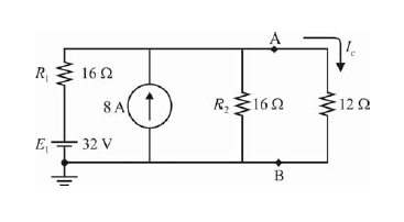
Considerando o circuito elétrico mostrado na figura precedente, julgue os itens seguintes.
O circuito ¨¤ esquerda dos pontos A e B pode ser corretamente substitu¨ªdo por uma fonte de corrente de 10 A em paralelo com um resistor de resist¨ºncia 8 ¦¸.Engenharia Elétrica - Teoria de Controle - Centro de Seleção e de Promoção de Eventos UnB (CESPE) - 2016

Considerando o circuito elétrico mostrado na figura precedente, julgue os itens seguintes.
A corrente que flui pelo resistor de 12
I c = 4 A.
Engenharia Elétrica - Teoria de Controle - Centro de Seleção e de Promoção de Eventos UnB (CESPE) - 2016

Considerando o circuito elétrico mostrado na figura precedente, julgue os itens seguintes.
Sem alterar o comportamento el¨¦trico do circuito, a fonte de tensão E 1 poderia ser substitu¨ªda por uma fonte de corrente de 4 A.Engenharia Elétrica - Teoria de Controle - Centro de Seleção e de Promoção de Eventos UnB (CESPE) - 2016

Considerando o circuito elétrico mostrado na figura precedente, julgue os itens seguintes.
Sem alterar o comportamento el¨¦trico do circuito, a fonte E 1 e o resistor R 1 podem ser substitu¨ªdos por uma fonte de corrente de 32 A e um resistor em paralelo de resist¨ºncia igual a 8
¸.
Engenharia Elétrica - Teoria de Controle - Centro de Seleção e de Promoção de Eventos UnB (CESPE) - 2016

Tendo como referência o quadripolo apresentado, em que V 1 é a tensão na porta de entrada e V 2, a tensão na porta de saída, julgue os itens subsequentes.
A impedância de transferência é dada pela relação entre a tensão V 1 e a corrente I 2 quando a porta de entrada está em curto.Engenharia Elétrica - Teoria de Controle - Centro de Seleção e de Promoção de Eventos UnB (CESPE) - 2016

Tendo como referência o quadripolo apresentado, em que V 1 é a tensão na porta de entrada e V 2, a tensão na porta de saída, julgue os itens subsequentes.
Uma vez que pode ocorrer armazenamento de energia no interior dos quadripolos, então I 1 não é, necessariamente, igual a I 3.Engenharia Elétrica - Teoria de Controle - Centro de Seleção e de Promoção de Eventos UnB (CESPE) - 2016

Tendo como referência o quadripolo apresentado, em que V 1 é a tensão na porta de entrada e V 2, a tensão na porta de saída, julgue os itens subsequentes.
A impedância vista pela porta da entrada, quando a porta de saída está em aberto, é igual a 6 Ω.{TITLE}
{CONTENT}
{TITLE}
Aguarde, enviando solicitação...