Lista completa de Questões de Engenharia Elétrica da Instituto Quadrix para resolução totalmente grátis. Selecione os assuntos no filtro de questões e comece a resolver exercícios.
No que diz respeito a acionamentos, controles e equipamentos elétricos, julgue os itens seguintes. O inversor de frequência destina-se unicamente ao acionamento de máquinas assíncronas.
Em um dado experimento laboratorial envolvendo circuitos CA, utilizando as montagens apropriadas, foram medidos sinais alternados de tensão e corrente em uma impedância Z. Os dois sinais possuem mesma frequência, sendo um referente a uma tensão V e o outro a uma corrente I. Após o experimento, com base nas amostras coletadas dos sinais, os responsáveis pelo experimento representaram graficamente, em uma mesma escala, as referidas formas de onda, conforme ilustrado a seguir.

Em relação aos sinais apresentados, sabendo que a escala de amplitude é dada em volts e ampères para os sinais V e I, respectivamente, julgue os itens subsecutivos.
O valor de pico da corrente I é igual 20 A.Em um dado experimento laboratorial envolvendo circuitos CA, utilizando as montagens apropriadas, foram medidos sinais alternados de tensão e corrente em uma impedância Z. Os dois sinais possuem mesma frequência, sendo um referente a uma tensão V e o outro a uma corrente I. Após o experimento, com base nas amostras coletadas dos sinais, os responsáveis pelo experimento representaram graficamente, em uma mesma escala, as referidas formas de onda, conforme ilustrado a seguir.

Em relação aos sinais apresentados, sabendo que a escala de amplitude é dada em volts e ampères para os sinais V e I, respectivamente, julgue os itens subsecutivos.
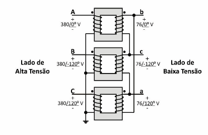
A corrente I está atrasada da tensão V de um ângulo igual a 10º.A figura a seguir ilustra um banco trifásico de transformadores operando em um sistema com sequência de fases CBA.

A partir do esquema apresentado, julgue os itens que se seguem.
A defasagem angular das grandezas elétricas do terminal de alta tensão em relação às medidas no terminal de baixa tensão é igual a -150º.A figura a seguir ilustra um banco trifásico de transformadores operando em um sistema com sequência de fases CBA.

A partir do esquema apresentado, julgue os itens que se seguem.
O grupo de defasagem do banco trifásico de transformadores apresentado é Dy7.Considerando-se uma fonte de tensão alternada alimentando uma carga, o fator de potência será unitário apenas se a carga for puramente resistiva. No Brasil, a maior parte das linhas de transmissão de energia elétrica opera com corrente contínua, como forma de redução de perdas de transmissão.
Considerando-se uma fonte de tensão alternada alimentando uma carga, o fator de potência será unitário apenas se a carga for puramente resistiva. Linhas de distribuição de energia operam, em geral, com tensões bem menores que as das linhas de transmissão.

Considerando que os diodos dos circuitos acima sejam ideais, julgue os itens que se seguem.
No circuito (a), o diodo está reversamente polarizado.
Considerando que os diodos dos circuitos acima sejam ideais, julgue os itens que se seguem.
No circuito (b), o diodo não está conduzindo corrente elétrica.Em uma aula a respeito de grandezas elétricas e instrumentos de medição, montou-se o circuito apresentado na figura a seguir, no qual flui uma corrente i. O circuito é composto por uma fonte CC de tensão com valor v conectada a resistores com resistências R1 e R2, conforme ilustrado. Além disso, foram conectados instrumentos de medição que indicam as medições M1, M2 e M3. Nessa montagem, sabe-se que todos os medidores são ideais e que estão corretamente conectados para os seus devidos fins.

Julgue os itens seguintes, considerando que a medição M3 seja dada em volts.
Sabendo-se que o produto M1.M2 resulta na potência dissipada no resistor R1, é correto afirmar que a medida M1 é dada em ampères e a medida M2 é dada em volts.{TITLE}
{CONTENT}
{TITLE}
Aguarde, enviando solicitação...