Lista completa de Questões sobre Projetos Elétricos para resolução totalmente grátis. Selecione os assuntos no filtro de questões e comece a resolver exercícios.
O gráfico da Figura 2 representa a potência absorvida, em kW, por dois consumidores durante as 24 horas do dia. A potência instalada do consumidor 1 é 1600 kW e a do consumidor 2, 1800 kW.

Com base na Figura 2 e nos dados fornecidos, qual é o fator de diversidade do conjunto das cargas 1 e 2?
Considerando-se uma fonte de tensão alternada alimentando uma carga, o fator de potência será unitário apenas se a carga for puramente resistiva. No Brasil, a maior parte das linhas de transmissão de energia elétrica opera com corrente contínua, como forma de redução de perdas de transmissão.
Considerando-se uma fonte de tensão alternada alimentando uma carga, o fator de potência será unitário apenas se a carga for puramente resistiva. Linhas de distribuição de energia operam, em geral, com tensões bem menores que as das linhas de transmissão.
Engenharia Elétrica - Projetos Elétricos - Centro de Seleção e de Promoção de Eventos UnB (CESPE) - 2016
Acerca da polarização em dielétricos, assinale a opção correta.
Engenharia Elétrica - Projetos Elétricos - Centro de Seleção e de Promoção de Eventos UnB (CESPE) - 2016
Amplamente utilizada na indústria de equipamentos elétricos, a liga de ferro-silício
Engenharia Elétrica - Projetos Elétricos - Centro de Seleção e de Promoção de Eventos UnB (CESPE) - 2016
A reatância transitória de um alternador de 50 MVA, 10 kV, é 0,121 p.u. Esse alternador está instalado em uma rede elétrica cujos valores base são 100 MVA e 11 kV. Nesse caso, a reatância transitória do alternador, em p.u., referenciada na base da rede elétrica é
Engenharia Elétrica - Projetos Elétricos - Centro de Seleção e de Promoção de Eventos UnB (CESPE) - 2016

No que concerne à leitura e à interpretação de projetos de instalações elétricas bem como à planta da locação dos pontos elétricos na habitação apresentada, julgue o próximo item.
De acordo com o projeto apresentado, nas instalações elétricas dessa residência, serão necessários quatro tomadas baixas, uma tomada alta, seis tomadas médias, seis pontos de luz no teto, dois interruptores de uma seção e quatro interruptores paralelos.Engenharia Elétrica - Projetos Elétricos - Centro de Seleção e de Promoção de Eventos UnB (CESPE) - 2016

A figura apresentada ilustra a primeira versão de parte de uma planta baixa de instalação elétrica predial, a qual deverá ser revisada por especialista e liberada para ser juntada a outras plantas da edificação. Com base nessas informações, julgue os itens a seguir.
A seção de cada condutor dos circuitos de tomadas nessa planta é de 2,5 mm2.Engenharia Elétrica - Projetos Elétricos - Centro de Seleção e de Promoção de Eventos UnB (CESPE) - 2016

A figura apresentada ilustra a primeira versão de parte de uma planta baixa de instalação elétrica predial, a qual deverá ser revisada por especialista e liberada para ser juntada a outras plantas da edificação. Com base nessas informações, julgue os itens a seguir.
Nessa planta há dois pontos de luz, que são comandados de forma independente. O ponto de luz da esquerda é comandado exclusivamente pelo interruptor simples que está mais próximo do QD, enquanto o ponto de luz da direita é comandado pelo interruptor simples que está mais afastado do QD.Engenharia Elétrica - Projetos Elétricos - Centro de Seleção e de Promoção de Eventos UnB (CESPE) - 2016

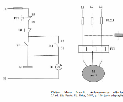
Considerando a figura apresentada, que ilustra os circuitos de comando e de força de um motor de indução trifásico, julgue os próximos itens.
O motor é acionado por meio de chave estrela-triângulo.{TITLE}
{CONTENT}
{TITLE}
Aguarde, enviando solicitação...