Lista completa de Questões de Física do ano 2009 para resolução totalmente grátis. Selecione os assuntos no filtro de questões e comece a resolver exercícios.
Física - Teorias, Leis, Princípios e Propriedades Físicas de materiais - Centro de Seleção e de Promoção de Eventos UnB (CESPE) - 2009
Considerando que uma corrente contínua percorra um fio condutor longo e retilíneo, gerando um campo magnético estático em torno do fio, julgue os itens a seguir.
De acordo com a lei de Ampère, a intensidade do campo magnético à distância de 10 m perpendicular ao fio será dez vezes inferior à intensidade do campo magnético à distância de 1 m perpendicular ao fio.
Considerando que uma corrente contínua percorra um fio condutor longo e retilíneo, gerando um campo magnético estático em torno do fio, julgue os itens a seguir.
A orientação do vetor campo magnético, na situação em questão, poderá ser obtida pela regra da mão direita; dessa forma, o polegar apontará para o sentido contrário ao da corrente convencional, ou seja, apontará para o sentido do fluxo de elétrons, e os demais dedos, curvados em torno do polegar, apontarão para o sentido do vetor campo magnético.

Considerando a figura acima, que ilustra o circuito de alimentação dos faróis de um automóvel, constituído de duas lâmpadas halogênicas idênticas conectadas a uma bateria de 12 V, e admitindo que, em operação normal, as lâmpadas dos faróis possam ser modeladas como resistências ôhmicas, julgue os próximos itens.
Se a bateria supre uma corrente de 6 A ao circuito, então a potência elétrica dissipada por cada farol é de 36 W.

Considerando a figura acima, que ilustra o circuito de alimentação dos faróis de um automóvel, constituído de duas lâmpadas halogênicas idênticas conectadas a uma bateria de 12 V, e admitindo que, em operação normal, as lâmpadas dos faróis possam ser modeladas como resistências ôhmicas, julgue os próximos itens.
Caso um dos faróis queime, a potência dissipada pelo farol em bom estado duplicará de valor.

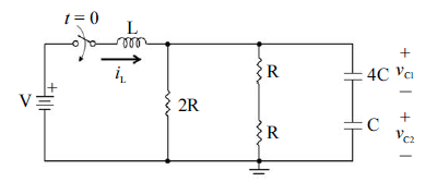
Considere que o circuito ilustrado na figura acima seja mantido com a chave aberta por um tempo suficientemente grande e que, no instante t = 0, a chave seja subitamente fechada, de tal forma que a bateria de tensão igual a V seja conectada ao indutor em associação com os resistores e capacitores. Acerca dessas informações e considerando, ainda, a situação do circuito em regime permanente, julgue os itens a seguir.
A corrente iL que flui pelo indutor é nula.

Considere que o circuito ilustrado na figura acima seja mantido com a chave aberta por um tempo suficientemente grande e que, no instante t = 0, a chave seja subitamente fechada, de tal forma que a bateria de tensão igual a V seja conectada ao indutor em associação com os resistores e capacitores. Acerca dessas informações e considerando, ainda, a situação do circuito em regime permanente, julgue os itens a seguir.


Considere que o circuito ilustrado na figura acima seja mantido com a chave aberta por um tempo suficientemente grande e que, no instante t = 0, a chave seja subitamente fechada, de tal forma que a bateria de tensão igual a V seja conectada ao indutor em associação com os resistores e capacitores. Acerca dessas informações e considerando, ainda, a situação do circuito em regime permanente, julgue os itens a seguir.


Considerando que a rede ilustrada na figura acima seja implementada com um transformador ideal, alimentada com uma senóide de amplitude 220 VRMS, frequência de 60 Hz e fase zero, julgue os itens seguintes.


Considerando que a rede ilustrada na figura acima seja implementada com um transformador ideal, alimentada com uma senóide de amplitude 220 VRMS, frequência de 60 Hz e fase zero, julgue os itens seguintes.


Considerando que a rede ilustrada na figura acima seja implementada com um transformador ideal, alimentada com uma senóide de amplitude 220 VRMS, frequência de 60 Hz e fase zero, julgue os itens seguintes.

{TITLE}
{CONTENT}
{TITLE}
Aguarde, enviando solicitação...