Lista completa de Questões de Engenharia Elétrica da Fundação Carlos Chagas (FCC) para resolução totalmente grátis. Selecione os assuntos no filtro de questões e comece a resolver exercícios.
Um circuito eletrônico produz um sinal de radiofrequência senoidal que pode ser ajustado por controle manual entre 100 kHz e 100 MHz. Ele alimenta uma carga composta de uma resistência de 500 Ω em série com duas reatâncias, sendo uma indutiva de 200 μH e outra capacitiva de 200 pF.

Para que a carga tenha comportamento resistivo puro, o circuito deve ter sua frequência ajustada para, aproximadamente,
Na figura abaixo, Vcc = 15 V e o LED encontra-se apagado. A corrente típica de gatilho do 2N4444 é de 7 mA e a tensão VGk = 0,75 V.

O valor mínimo necessário de V1 para fazer o LED acender é, aproximadamente,
Em um sistema de alimentação trifásica na configuração estrela, a relação entre as tensões de linha e de fase vale
/ 3 .

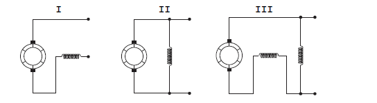
/ 2 .As figuras I, II e III representam três configurações do motor CC.

Caracterizam corretamente os motores:





Considere os dois sinais A e B, abaixo.

Sobre a medida efetuada, é correto afirmar que em relação ao sinal A, o sinal B está
Um motor trifásico deve ser dimensionado para ser instalado na parte externa de uma oficina, em local parcialmente descoberto e sujeito a muita poeira. O grau de proteção mais adequado para este motor é
Quando o motor síncrono encontra-se sobreexcitado
Um motor trifásico de indução precisa ser dimensionado para produzir um torque de 4 kgf.m em 1720 RPM. A potência necessária, em CV, é de, aproximadamente,
Um autotransformador de 220 V / 40 V alimenta uma carga com corrente de 8 A e fator de potência unitário. A corrente que circula pelo segmento do enrolamento comum ao primário e secundário vale, aproximadamente,
O circuito abaixo é comumente usado para acionamento de relé por meio de um sinal de entrada Ve com baixa capacidade de corrente.

Sabe-se que o relé, na sua desenergização, produz uma força contraeletromotriz que pode atingir níveis elevados, danificando o transistor. Para evitar esse problema, deve-se conectar um
{TITLE}
{CONTENT}
{TITLE}
Aguarde, enviando solicitação...