Lista completa de Questões sobre Conceitos Básicos para resolução totalmente grátis. Selecione os assuntos no filtro de questões e comece a resolver exercícios.
Em um dado experimento laboratorial envolvendo circuitos CA, utilizando as montagens apropriadas, foram medidos sinais alternados de tensão e corrente em uma impedância Z. Os dois sinais possuem mesma frequência, sendo um referente a uma tensão V e o outro a uma corrente I. Após o experimento, com base nas amostras coletadas dos sinais, os responsáveis pelo experimento representaram graficamente, em uma mesma escala, as referidas formas de onda, conforme ilustrado a seguir.

Em relação aos sinais apresentados, sabendo que a escala de amplitude é dada em volts e ampères para os sinais V e I, respectivamente, julgue os itens subsecutivos.
Com base nas formas de onda apresentadas, é correto afirmar que, na frequência dos sinais V e I, a impedância Z é igual a
						
Considerando que, na linha de transmissão Y1 = Y2 = Y/2, sejam obtidos os parâmetros ABCD apresentados para cada elemento, julgue o item a seguir.
Os parâmetros ABCD obtidos após a interligação em cascata da linha de transmissão e do transformador serão iguais a

Engenharia Elétrica - Conceitos Básicos - Intituto de Desenvolvimento Educacional, Cultural e Assistencial Nacional (IDECAN) - 2017
Adotando-se como variáveis de estado x1 = Vc (tensão no capacitor) e x2 = IL (corrente no indutor) para o circuito a seguir, a representação em espaço de estados é:





Engenharia Elétrica - Conceitos Básicos - Intituto de Desenvolvimento Educacional, Cultural e Assistencial Nacional (IDECAN) - 2017
A matriz de transferência para o sistema representado pelas equações a seguir é:





Engenharia Elétrica - Conceitos Básicos - Intituto de Desenvolvimento Educacional, Cultural e Assistencial Nacional (IDECAN) - 2017
Os polos da função de transferência da figura a seguir, considerando TD = 0, são expressos por:





Engenharia Elétrica - Conceitos Básicos - Intituto de Desenvolvimento Educacional, Cultural e Assistencial Nacional (IDECAN) - 2017
Dado o processo a seguir, a forma canônica do observador é:





Engenharia Elétrica - Conceitos Básicos - Intituto de Desenvolvimento Educacional, Cultural e Assistencial Nacional (IDECAN) - 2017
Um resistor conectado em série com um resistor de 24 ohms consome uma potência de 300 W quando é aplicado a eles, em série, 180V. O valor de R é:
Engenharia Elétrica - Conceitos Básicos - Intituto de Desenvolvimento Educacional, Cultural e Assistencial Nacional (IDECAN) - 2017
O circuito a seguir é um:

Engenharia Elétrica - Conceitos Básicos - Intituto de Desenvolvimento Educacional, Cultural e Assistencial Nacional (IDECAN) - 2017
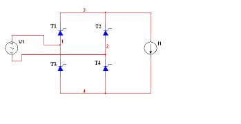
A seguir, tem-se um retificador monofásico totalmente controlado com uma fonte de corrente como carga. A forma de onda da corrente da fonte senoidal é:





Engenharia Elétrica - Conceitos Básicos - Intituto de Desenvolvimento Educacional, Cultural e Assistencial Nacional (IDECAN) - 2017
O valor da corrente Ix é:

{TITLE}
{CONTENT}
{TITLE}
        Aguarde, enviando solicitação...